2092-1632/024-000 WAGO Conector macho pasamuros; gris claro
2092-1632/024-000 WAGO Conector macho pasamuros; gris claro
WAGO
|
SKU: WA_CLE_1348_N
Los gastos de envío se calculan en la pantalla de pago.
Contacta a un asesor
No se pudo cargar la disponibilidad de retiro
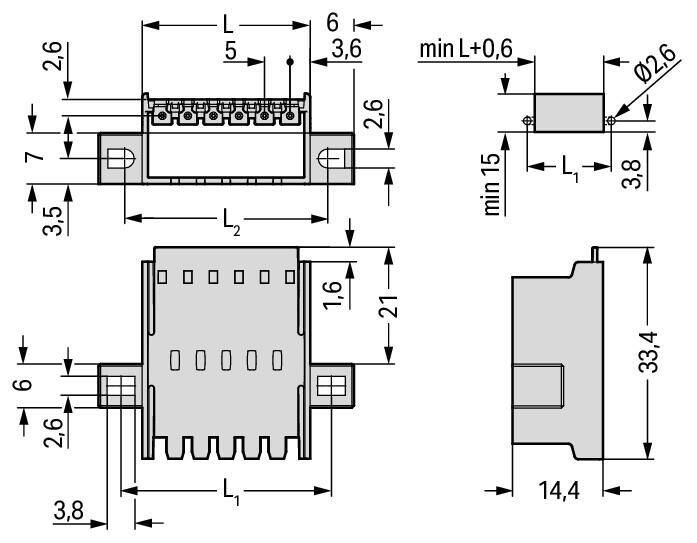
2092-1632/024-000 WAGO Conector macho pasamuros; Brida de sujeción; 2,5 mm²; 2 polos; Paso 5 mm; gris claro
- Conector macho para montaje con tornillos en paredes de dispositivos o carcasas
- Conexión enchufable externa con bloqueo para conectores hembra con conexión de conductores
- Conexión interna enchufable para conectores hembra con pines soldables o conector hembra con conexión de conductores
- Juego de conectores de prolongación con conector hembra interno y externo premontado con conexión de conductores
- Bridas de fijación, aptas también para montaje superficial
Ficha técnica
Compartir
