2601-1312 WAGO Borna para placas de circuito impreso; Palanca; 12 polos
2601-1312 WAGO Borna para placas de circuito impreso; Palanca; 12 polos
WAGO
|
SKU: WA_CLE_5630_N
Los gastos de envío se calculan en la pantalla de pago.
Contacta a un asesor
No se pudo cargar la disponibilidad de retiro
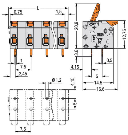
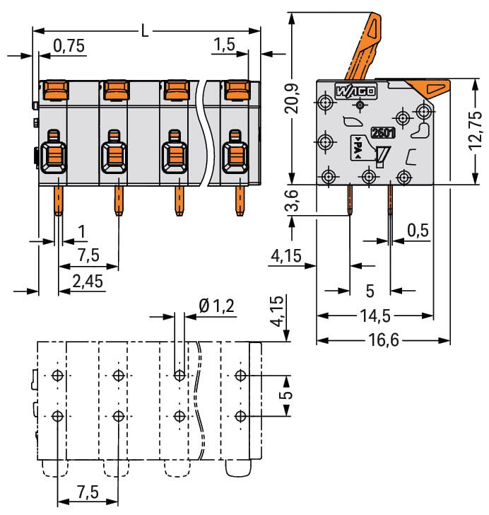
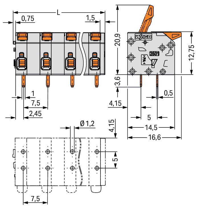
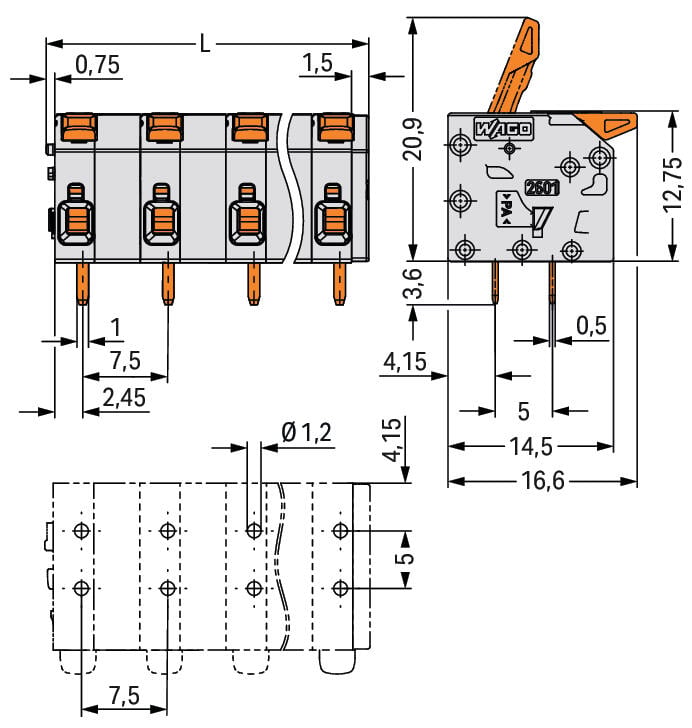
Borna para placas de circuito impreso; Palanca; 1,5 mm²; Paso 7,5 mm; 12 polos; Push-in CAGE CLAMP®; 1,50 mm²; gris
Ficha técnica
Compartir
