286-364/004-000 WAGO Módulo con relé; gris
286-364/004-000 WAGO Módulo con relé; gris
WAGO
|
SKU: WA_MOD_148_N
Precio habitual
$49.30 USD
Precio habitual
Precio de oferta
$49.30 USD
Precio unitario
/
por
Los gastos de envío se calculan en la pantalla de pago.
No se pudo cargar la disponibilidad de retiro
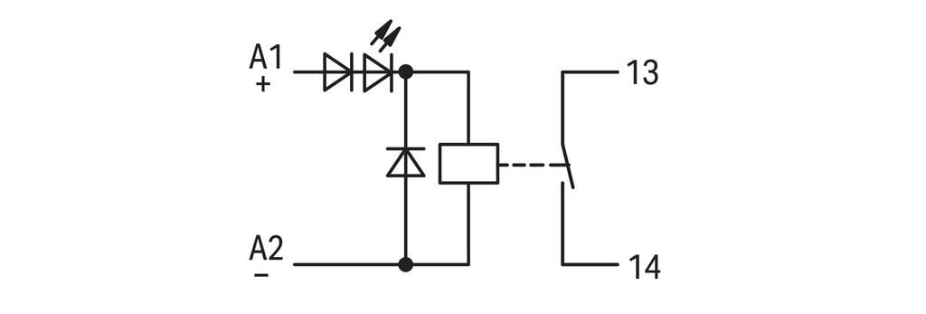
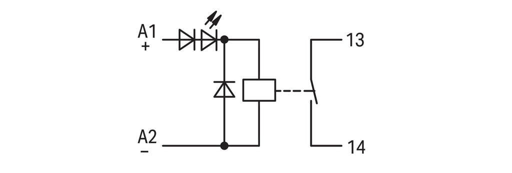
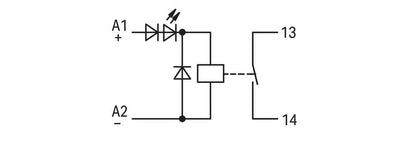
Módulo con relé de entrada nominal 24 V CC, equipado con 1 contacto de cierre. Soporta una corriente permanente máxima de 3 A, ideal para aplicaciones de control y señalización. Diseñado para montaje en ferrocarril, integra visualización de estados en color rojo que facilita el monitoreo. Con ancho de montaje de 10 mm y carcasa gris, ofrece compacidad y fiabilidad en sistemas eléctricos
Ficha técnica
Compartir



