286-394/004-000 WAGO Módulo con relé; gris claro
286-394/004-000 WAGO Módulo con relé; gris claro
WAGO
|
SKU: WA_MOD_152_N
Precio habitual
$82.60 USD
Precio habitual
Precio de oferta
$82.60 USD
Precio unitario
/
por
Los gastos de envío se calculan en la pantalla de pago.
No se pudo cargar la disponibilidad de retiro
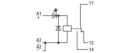
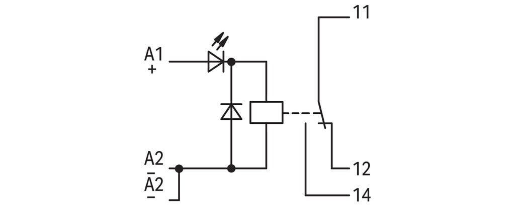
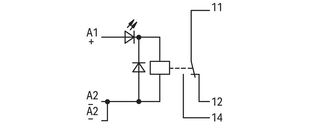
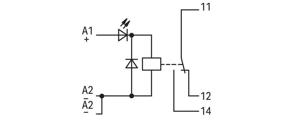
Módulo con relé con tensión nominal de entrada de 24 V CC y un contacto inversor con contactos dorados para alta fiabilidad en señales de baja corriente. Admite una corriente permanente máxima de 1 A. Diseñado para aplicaciones ferroviarias, incluye visualización de estado en rojo y carcasa gris claro de 15 mm de ancho para montaje en carril DIN.
Ficha técnica
Compartir



