704-5014 WAGO Módulo de transmisión para cableado de sistema
704-5014 WAGO Módulo de transmisión para cableado de sistema
WAGO
|
SKU: WA_MOD_309_N
Precio habitual
$504.54 USD
Precio habitual
Precio de oferta
$504.54 USD
Precio unitario
/
por
Los gastos de envío se calculan en la pantalla de pago.
No se pudo cargar la disponibilidad de retiro
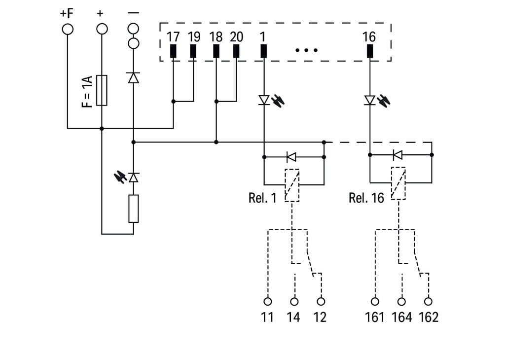
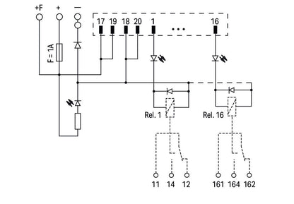
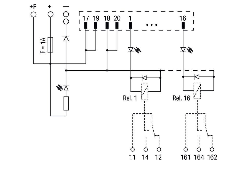
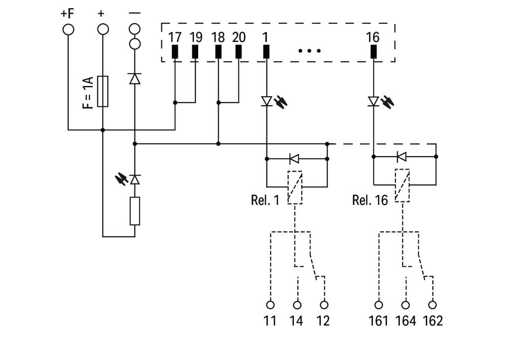
Módulo de transmisión para cableado de sistemas con conectores según DIN 41651. Conector macho de 20 polos, salida de relé de 16 canales con un inversor. Cuenta con bornas de doble piso para placas de circuito impreso, sin relé adicional, y zócalo de montaje, soportando conductores de hasta 2,50 mm² para conexiones seguras y fiables
Ficha técnica
Compartir
