704-5023 WAGO Módulo de transmisión para cableado de sistema; Conectores según DIN 41651; Bornas de tres pisos para placas de circuito impreso (PCB)
704-5023 WAGO Módulo de transmisión para cableado de sistema; Conectores según DIN 41651; Bornas de tres pisos para placas de circuito impreso (PCB)
WAGO
|
SKU: WA_MOD_110_N
Precio habitual
$259.91 USD
Precio habitual
Precio de oferta
$259.91 USD
Precio unitario
/
por
Los gastos de envío se calculan en la pantalla de pago.
No se pudo cargar la disponibilidad de retiro
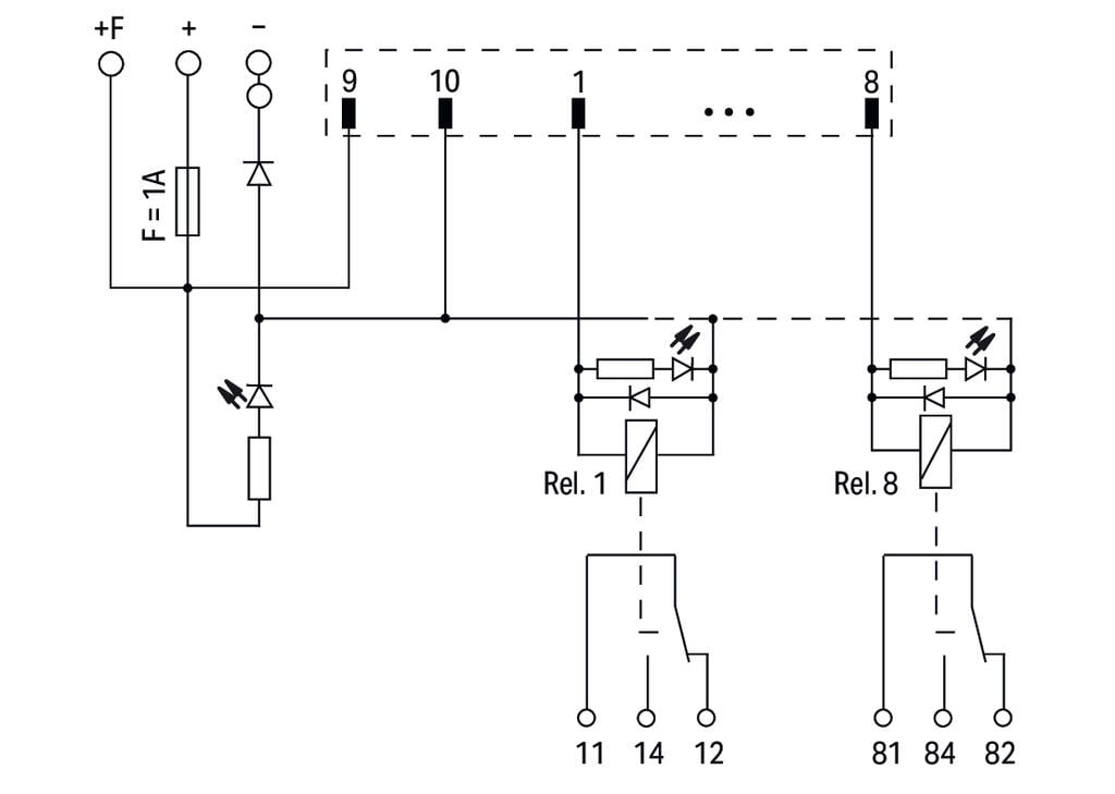
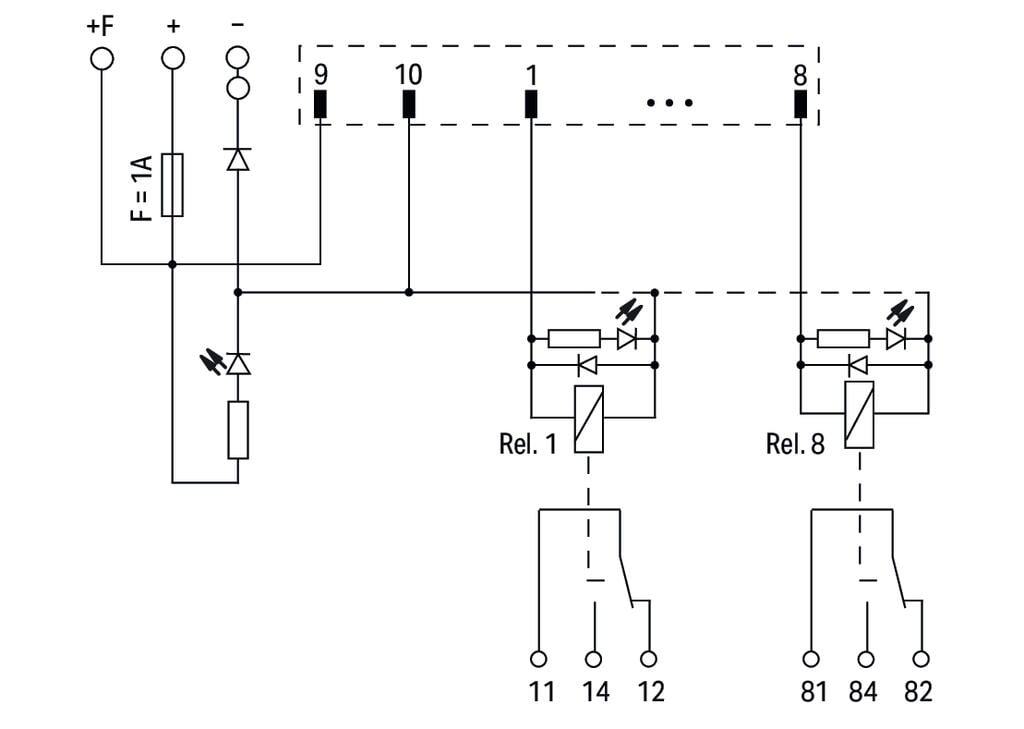
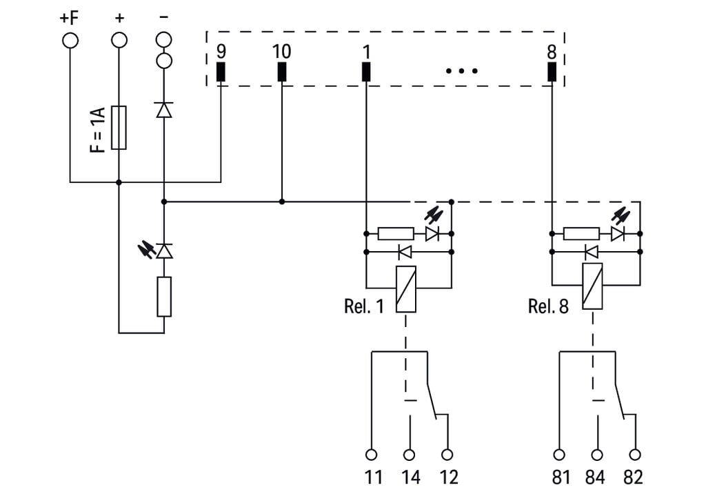
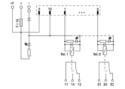
Módulo de transmisión para cableado de sistema con conector macho de 10 polos según DIN 41651. Ofrece 8 canales de salida de relé con 1 inversor, bornas de tres pisos para montaje en placas de circuito impreso (PCB), sin relés integrados y con zócalo de montaje. Ideal para aplicaciones de automatización con alta densidad de conexiones y flexibilidad en el diseño
Ficha técnica
Compartir



