704-5034 WAGO Módulo de transmisión para cableado de sistema
704-5034 WAGO Módulo de transmisión para cableado de sistema
WAGO
|
SKU: WA_MOD_018_N
Precio habitual
$807.55 USD
Precio habitual
Precio de oferta
$807.55 USD
Precio unitario
/
por
Los gastos de envío se calculan en la pantalla de pago.
No se pudo cargar la disponibilidad de retiro
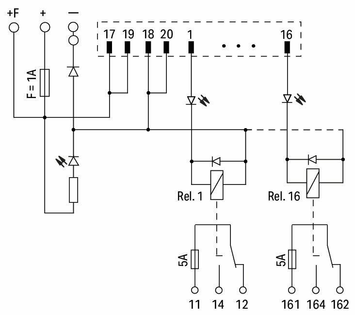
Módulo de transmisión para cableado de sistema; Conectores según DIN 41651; Conector macho; 20 polos; Salida de relé, 16 canales; 1 inversor; Bornas para placas de circuito impreso (PCB); con fusible de salida; con zócalo de montaje; 2,50 mm²
Ficha técnica
Compartir

