704-5063 WAGO Módulo de transmisión para cableado de sistema; Conectores según DIN 41651; Bornas de doble piso para placas de circuito impreso
704-5063 WAGO Módulo de transmisión para cableado de sistema; Conectores según DIN 41651; Bornas de doble piso para placas de circuito impreso
WAGO
|
SKU: WA_MOD_109_N
Precio habitual
$473.99 USD
Precio habitual
Precio de oferta
$473.99 USD
Precio unitario
/
por
Los gastos de envío se calculan en la pantalla de pago.
No se pudo cargar la disponibilidad de retiro
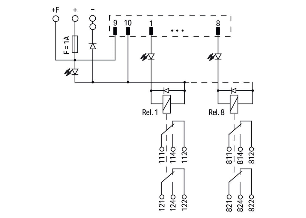
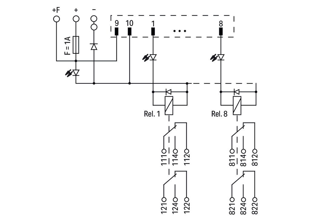
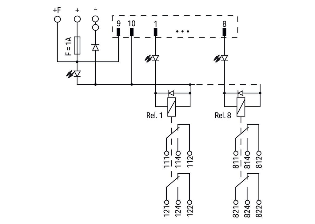
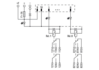
Módulo de transmisión para cableado de sistema con conector macho de 10 polos según DIN 41651. Cuenta con 8 canales de salida de relé y 2 inversores, bornas de doble piso para montaje en placas de circuito impreso (PCB) y zócalo de montaje incluido. Ideal para aplicaciones de automatización que requieren una configuración compacta y eficiente
Ficha técnica
Compartir



