704-5064 WAGO Módulo de transmisión para cableado de sistema
704-5064 WAGO Módulo de transmisión para cableado de sistema
WAGO
|
SKU: WA_MOD_016_N
Precio habitual
$863.49 USD
Precio habitual
Precio de oferta
$863.49 USD
Precio unitario
/
por
Los gastos de envío se calculan en la pantalla de pago.
No se pudo cargar la disponibilidad de retiro
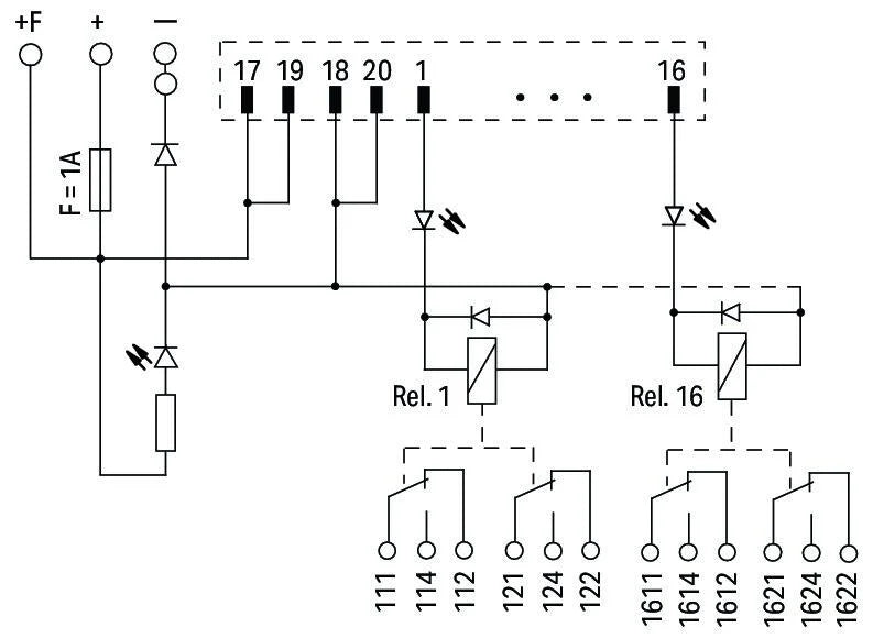
- 704-5064 WAGO 704-5064 WAGO Módulo de transmisión para cableado de sistema
- Conector macho; 20 polos; Salida de relé, 16 canales; 2 inversores; Bornas de doble piso para placas de circuito impreso; con zócalo de montaje; 2,50 mm²
Ficha técnica
Compartir

