704-5114 WAGO Módulo de transmisión para cableado de sistema; Conectores según DIN 41651; Bornas para placas de circuito impreso (PCB)
704-5114 WAGO Módulo de transmisión para cableado de sistema; Conectores según DIN 41651; Bornas para placas de circuito impreso (PCB)
WAGO
|
SKU: WA_MOD_107_N
Precio habitual
$601.36 USD
Precio habitual
Precio de oferta
$601.36 USD
Precio unitario
/
por
Los gastos de envío se calculan en la pantalla de pago.
No se pudo cargar la disponibilidad de retiro
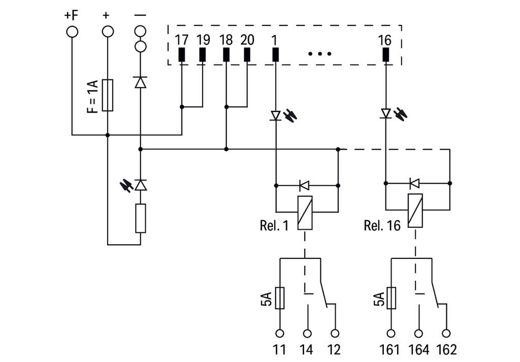
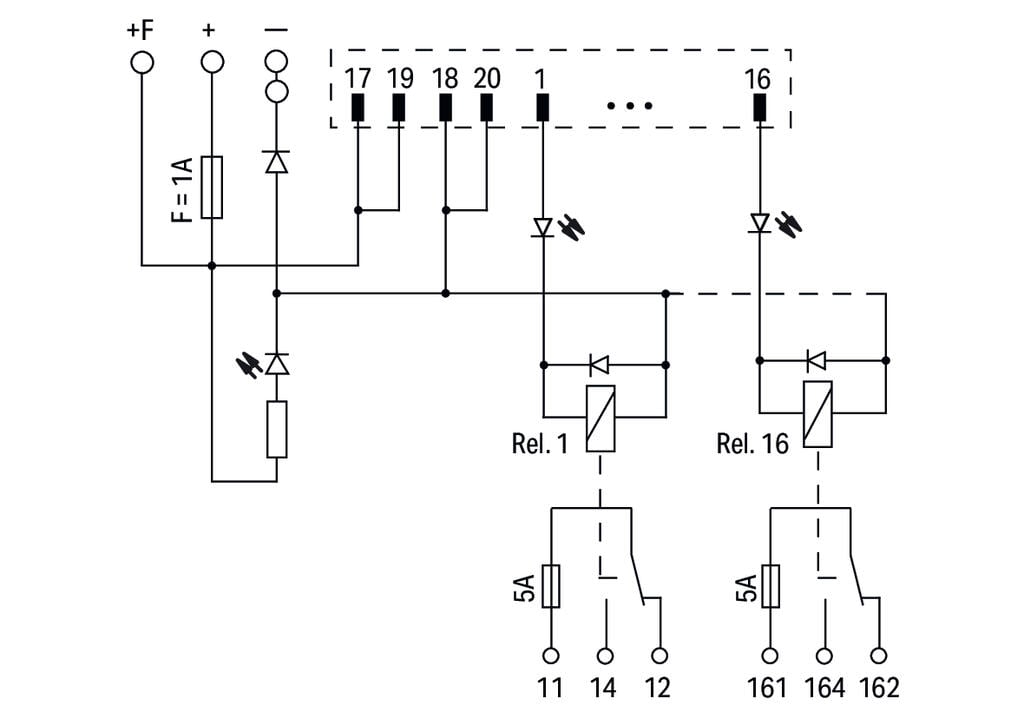
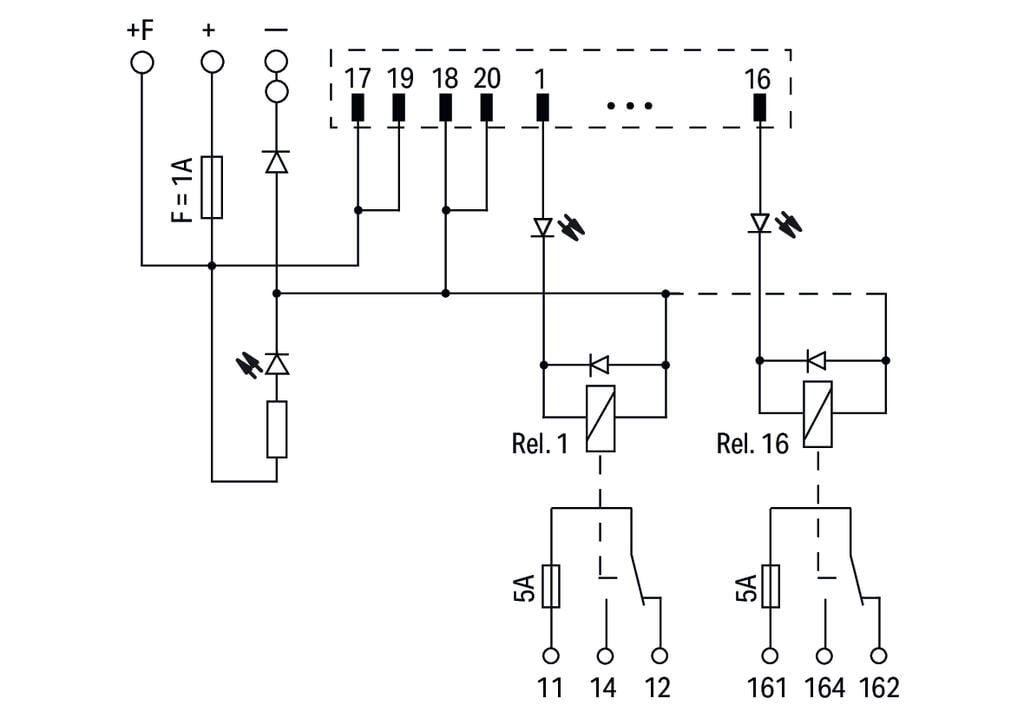
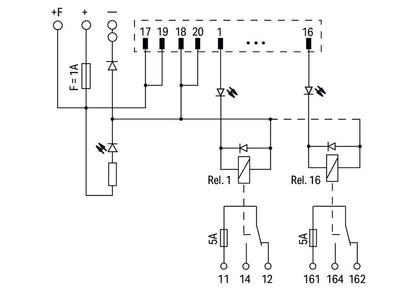
Módulo de transmisión para cableado de sistema con conectores según DIN 41651 de 20 polos. Dispone de 16 canales de salida de relé con 1 inversor, bornas para montaje en placas de circuito impreso (PCB) y zócalo de montaje incluido. Ideal para soluciones de automatización y control industrial con conexión eficiente y compacta
Ficha técnica
Compartir



