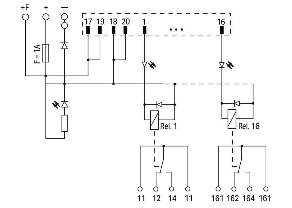
704-5204 WAGO Módulo de transmisión para cableado de sistema; Conectores según DIN 41651; Bornas de doble piso para placas de circuito impreso
704-5204 WAGO Módulo de transmisión para cableado de sistema; Conectores según DIN 41651; Bornas de doble piso para placas de circuito impreso
WAGO
|
SKU: WA_MOD_106_N
Precio habitual
$652.35 USD
Precio habitual
Precio de oferta
$652.35 USD
Precio unitario
/
por
Los gastos de envío se calculan en la pantalla de pago.
No se pudo cargar la disponibilidad de retiro
Módulo de transmisión para cableado de sistema con conector macho de 20 polos según DIN 41651. Ofrece 16 canales de salida de relé con 1 inversor, bornas de doble piso para montaje en placas de circuito impreso (PCB), diseñado para aplicaciones en corriente continua (DC) y con zócalo de montaje incluido. Ideal para sistemas de automatización y control industrial
Ficha técnica
Compartir



