750-1400 WAGO Entrada digital, 16 canales; 24 V DC; 3 ms; Cable plano
750-1400 WAGO Entrada digital, 16 canales; 24 V DC; 3 ms; Cable plano
WAGO
|
SKU: WA_MED_019_N
Precio habitual
$208.15 USD
Precio habitual
Precio de oferta
$208.15 USD
Precio unitario
/
por
Los gastos de envío se calculan en la pantalla de pago.
No se pudo cargar la disponibilidad de retiro
750-1400 WAGO
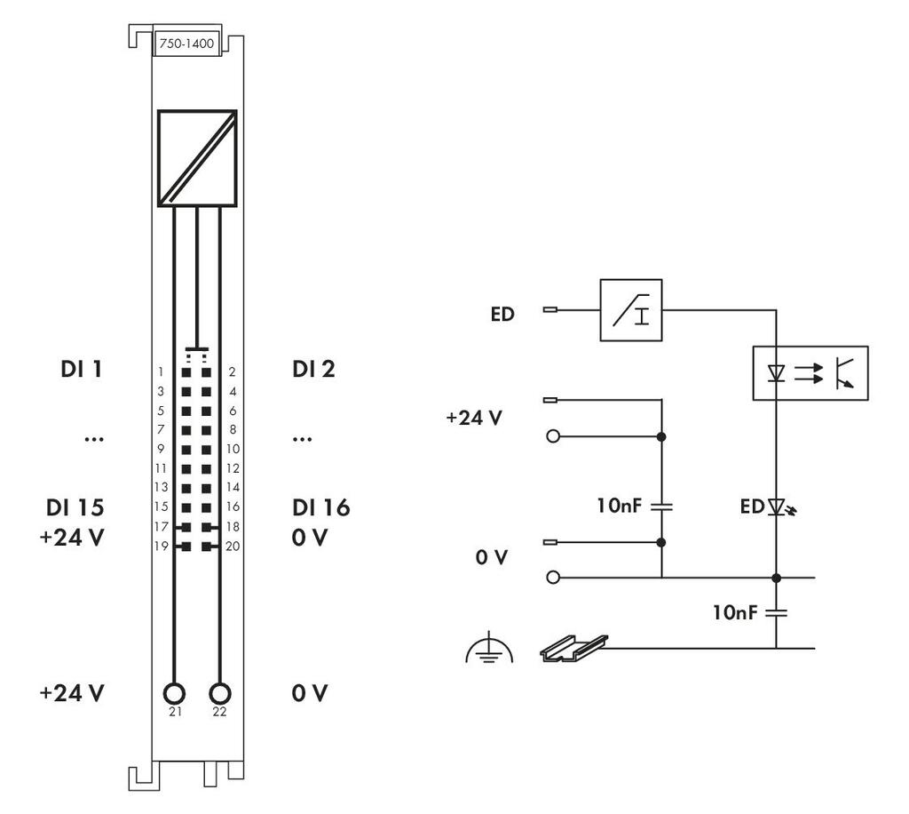
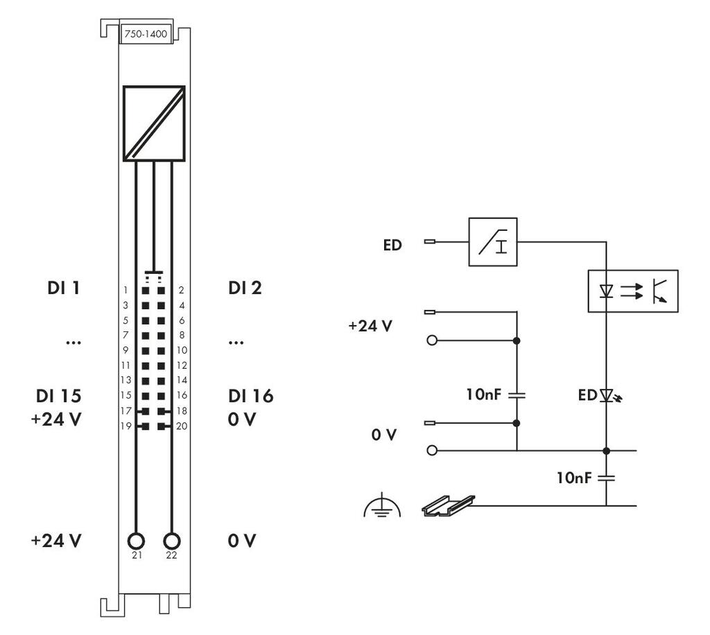
Este módulo de entrada digital incorpora 16 canales en una anchura de tan solo 12 mm.
El módulo recibe seales binarias de control de los dispositivos de campo digitales (p. ej., sensores, codificadores, switches o sensores de proximidad).
El módulo permite conectar módulos electrónicos a través de un cable plano de 20 polos.
La tensión de alimentación de 24 V de los módulos electrónicos se proporciona a través de dos conectores CAGE CLAMP®.
Cada módulo de entrada cuenta con un filtro RC de eliminación de ruido con una constante de tiempo de 3,0 ms.
Un LED verde indica el estado de seal de cada canal.
Los niveles de campo y sistema están separados galvánicamente.
Ficha técnica
Compartir
