750-1406 WAGO Entrada digital, 16 canales; 24 V DC; 0,2 ms
750-1406 WAGO Entrada digital, 16 canales; 24 V DC; 0,2 ms
WAGO
|
SKU: WA_MED_005_N
Precio habitual
$224.10 USD
Precio habitual
Precio de oferta
$224.10 USD
Precio unitario
/
por
Los gastos de envío se calculan en la pantalla de pago.
No se pudo cargar la disponibilidad de retiro
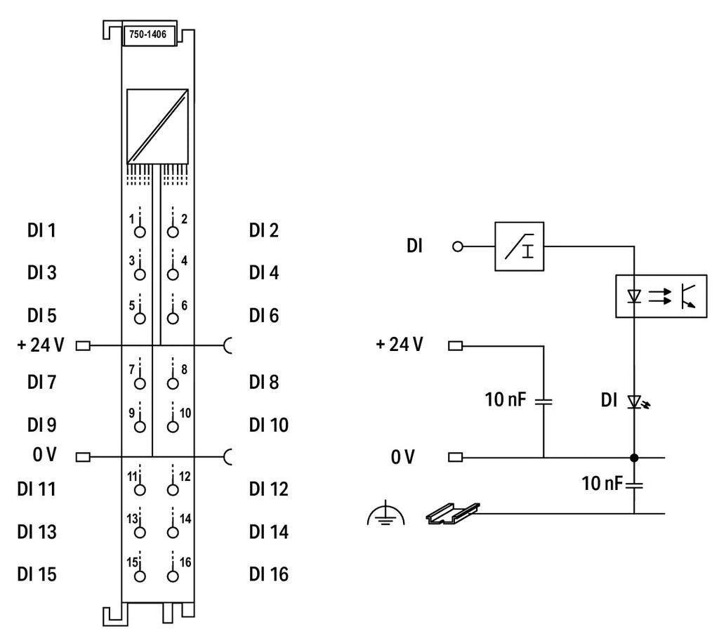
750-1406 WAGO Este módulo de entrada digital cuenta con 16 canales en un ancho de solo 12 mm (0,47 pulgadas).
El módulo presenta conexiones Push-in CAGE CLAMP® que permiten conectar conductores sólidos simplemente empujándolos hacia adentro.
Cada canal de entrada tiene un filtro RC de rechazo de ruido con una constante de tiempo de 0,2 ms.
Un LED verde indica el estado de la seal de cada canal.
Los niveles de campo y sistema están eléctricamente aislados.
Se requiere una herramienta operativa con una hoja de 2,5 mm (210-719) para abrir las conexiones Push-in CAGE CLAMP ® .
Ficha técnica
Compartir
