750-306/000-006 WAGO Acoplador de bus de campo DeviceNet
750-306/000-006 WAGO Acoplador de bus de campo DeviceNet
WAGO
|
SKU: WA_MES_026_N
Precio habitual
$555.25 USD
Precio habitual
Precio de oferta
$555.25 USD
Precio unitario
/
por
Los gastos de envío se calculan en la pantalla de pago.
No se pudo cargar la disponibilidad de retiro
- 750-306/000-006 WAGO Acoplador de bus de campo DeviceNet
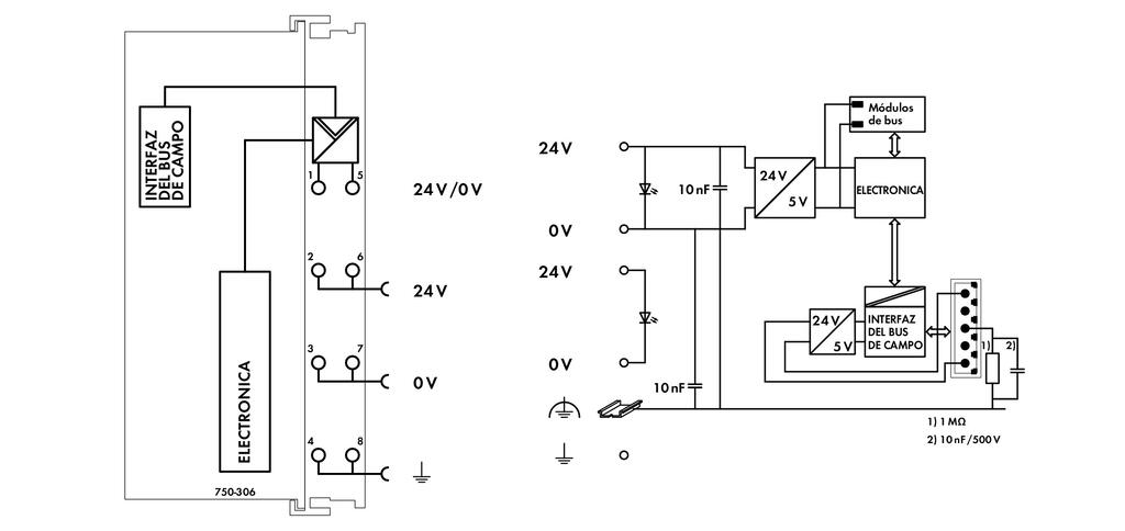
- El acoplador de bus de campo permite la conexión de los módulos WAGO-I/O-SYSTEM como esclavos al bus de campo DeviceNet.
- El acoplador detecta todos los módulos de E/S conectados y crea una imagen de proceso local. Los datos de los módulos analógicos y especiales se transmiten a través de palabras o bytes, mientras que los datos digitales se transmiten bit a bit.
Ficha técnica
Compartir


