750-310 WAGO Acoplador de bus de campo CC-Link
750-310 WAGO Acoplador de bus de campo CC-Link
WAGO
|
SKU: WA_MES_027_N
Precio habitual
$713.31 USD
Precio habitual
Precio de oferta
$713.31 USD
Precio unitario
/
por
Los gastos de envío se calculan en la pantalla de pago.
No se pudo cargar la disponibilidad de retiro
- 750-310 WAGO Acoplador de bus de campo CC-Link
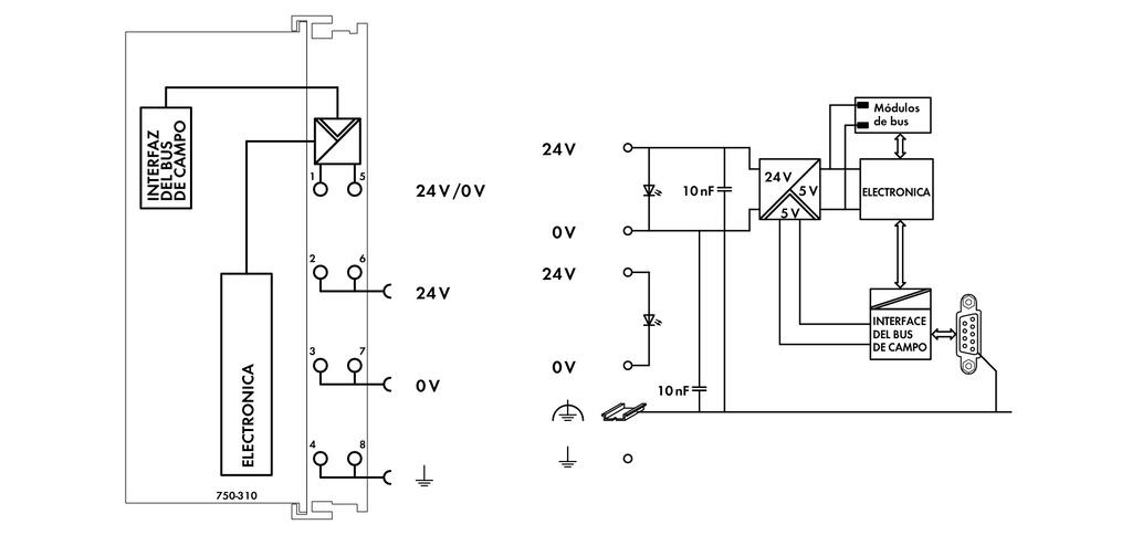
- El acoplador de bus de campo permite la conexión de los módulos WAGO-I/O-SYSTEM como esclavos al bus de campo CC-Link.
- El acoplador detecta todos los módulos de E/S conectados y crea una imagen de proceso local. Esta imagen de proceso puede incluir una disposición mixta de módulos analógicos (transferencia de datos palabra por palabra) y digitales (transferencia de datos bit a bit).
Ficha técnica
Compartir


