750-316/300-000 WAGO Acoplador de bus de campo MODBUS; RS-232; 115,2
750-316/300-000 WAGO Acoplador de bus de campo MODBUS; RS-232; 115,2
WAGO
|
SKU: WA_MES_029_N
Precio habitual
$713.31 USD
Precio habitual
Precio de oferta
$713.31 USD
Precio unitario
/
por
Los gastos de envío se calculan en la pantalla de pago.
No se pudo cargar la disponibilidad de retiro
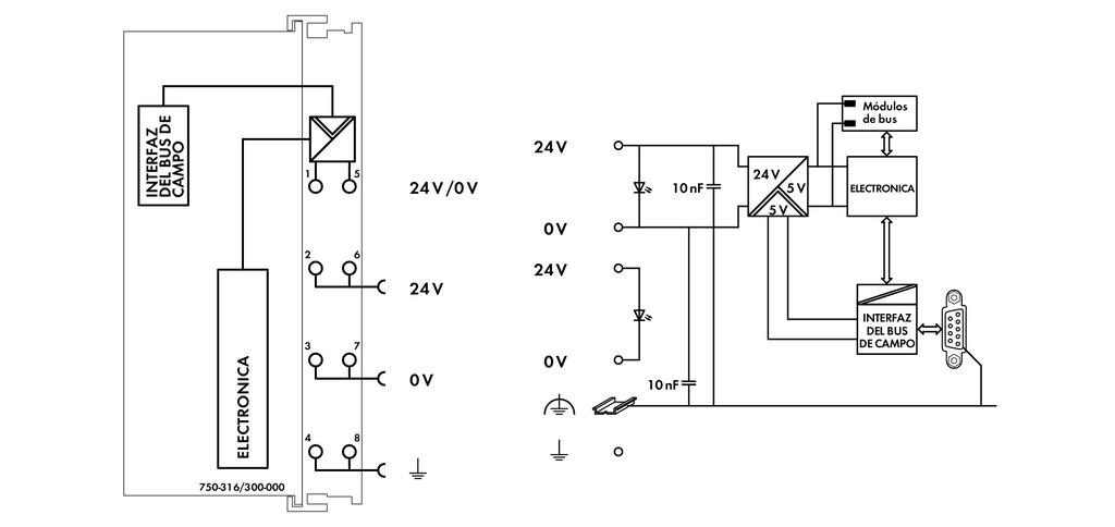
- 750-316/300-000 WAGO Acoplador de bus de campo MODBUS; RS-232; 115,2 kbaudios
- El acoplador de bus de campo permite la conexión de los módulos WAGO-I/O-SYSTEM como esclavos al bus de campo MODBUS.
- El acoplador detecta todos los módulos de E/S conectados y crea una imagen de proceso local. Los datos de los módulos analógicos y especiales se transmiten a través de palabras o bytes, mientras que los datos digitales se transmiten bit a bit.
Ficha técnica
Compartir


