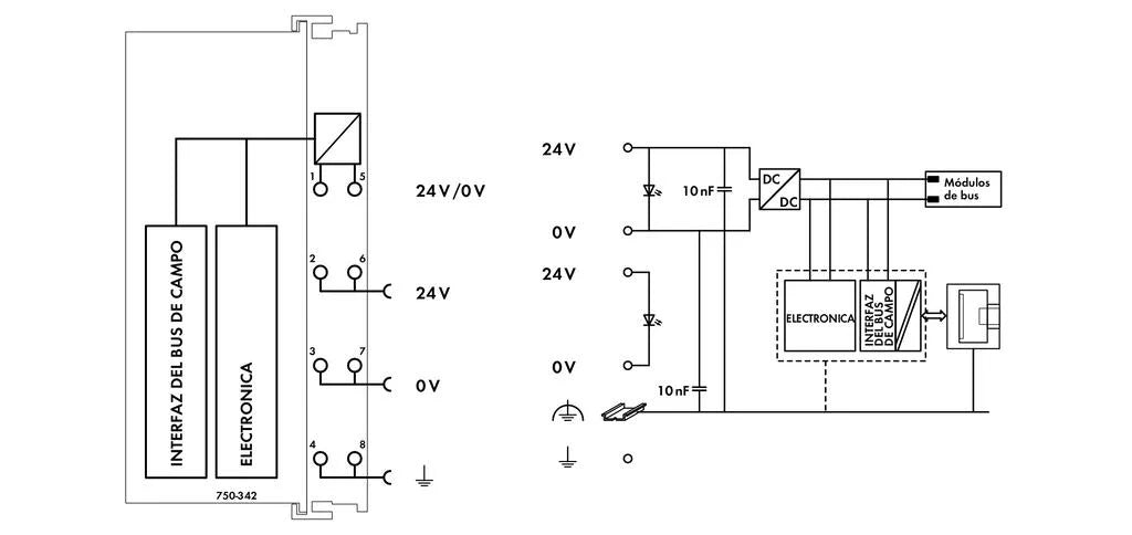
750-342 WAGO Acoplador de bus de campo ETHERNET; 1. Generación
750-342 WAGO Acoplador de bus de campo ETHERNET; 1. Generación
WAGO
|
SKU: WA_MES_041_N
Precio habitual
$713.31 USD
Precio habitual
Precio de oferta
$713.31 USD
Precio unitario
/
por
Los gastos de envío se calculan en la pantalla de pago.
No se pudo cargar la disponibilidad de retiro
- 750-342 WAGO Acoplador de bus de campo ETHERNET; 1. Generación
- Este acoplador de bus de campo ETHERNET TCP/IP puede utilizar varios protocolos de red para enviar datos de proceso a través de ETHERNET TCP/IP. El acoplador se conecta sin problemas a redes locales y globales (LAN, internet) conforme a las normas pertinentes de TI.
Ficha técnica
Compartir


