750-402 WAGO Entrada digital, 4 canales; 24 V DC
750-402 WAGO Entrada digital, 4 canales; 24 V DC
WAGO
|
SKU: WA_MED_018_N
Precio habitual
$71.13 USD
Precio habitual
Precio de oferta
$71.13 USD
Precio unitario
/
por
Los gastos de envío se calculan en la pantalla de pago.
No se pudo cargar la disponibilidad de retiro
750-402 WAGO
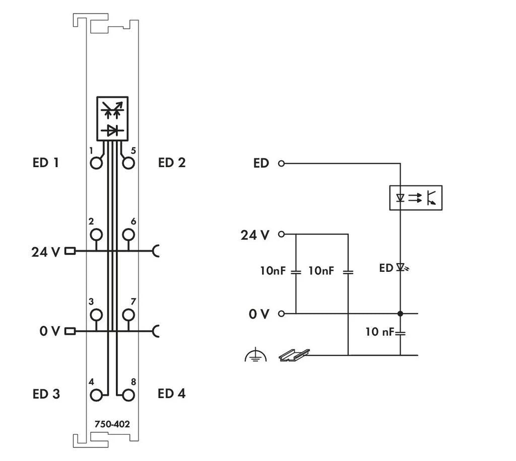
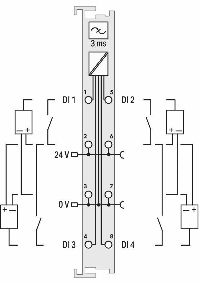
Este módulo de entrada digital recibe seales de control de los dispositivos de campo (p. ej., sensores).
Cada módulo de entrada cuenta con un filtro de eliminación de ruido.
Los niveles de campo y sistema están separados galvánicamente.
Ficha técnica
Compartir
