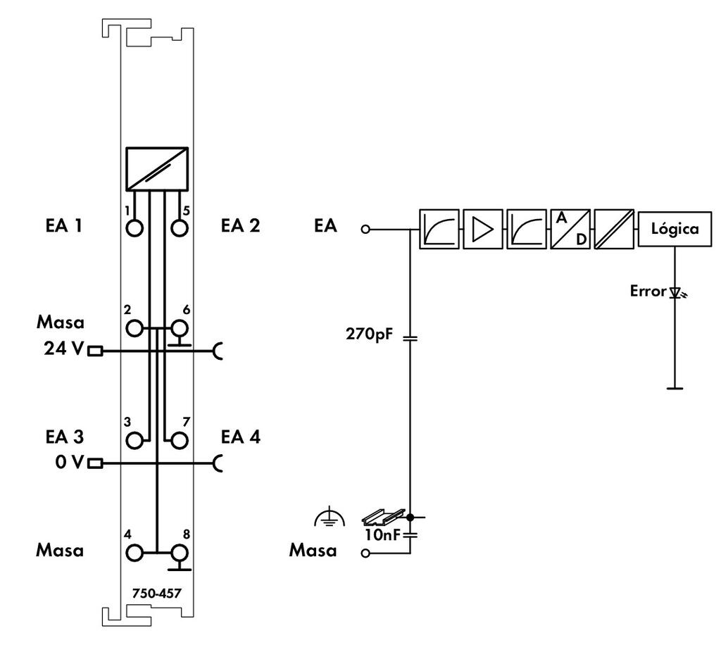
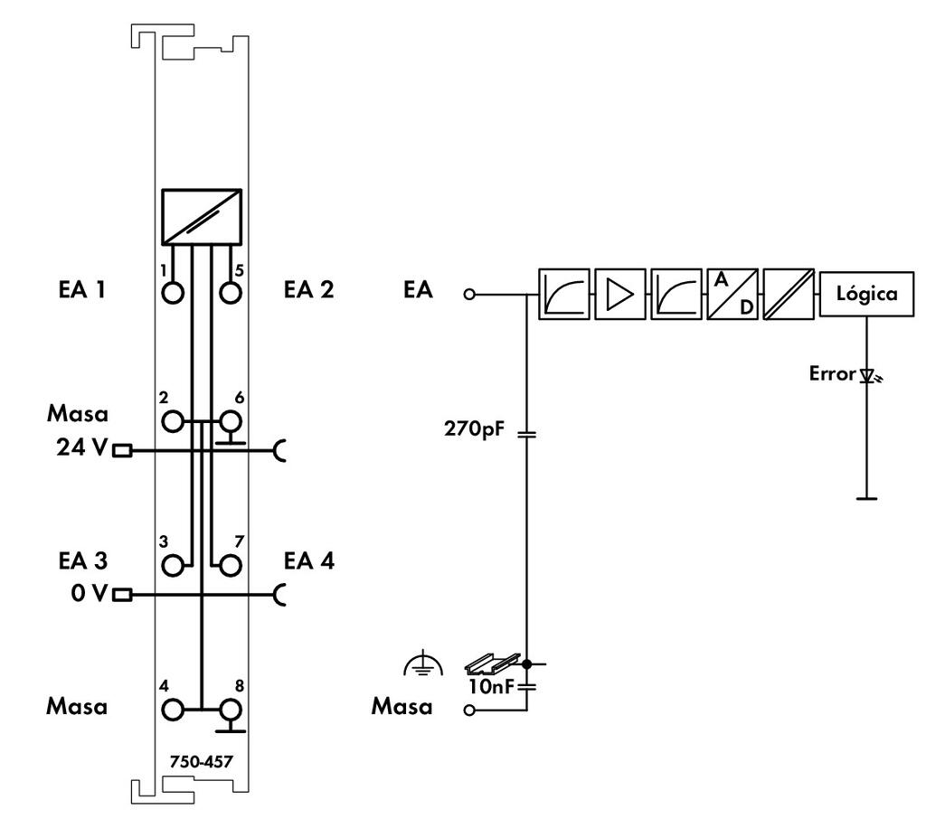
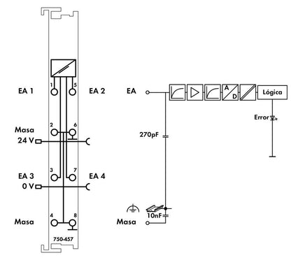
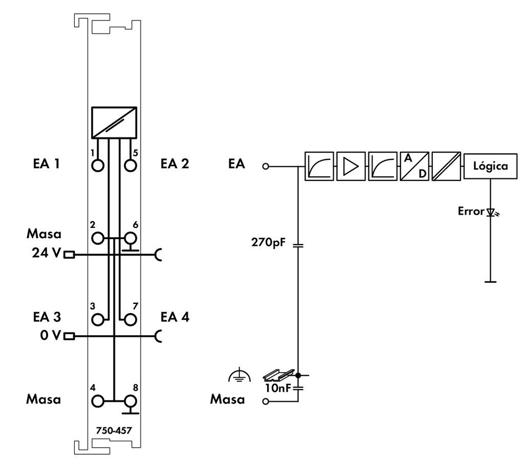
750-457 WAGO 4AI; ± 10 V; Single-Ended (lazo interno)
750-457 WAGO 4AI; ± 10 V; Single-Ended (lazo interno)
WAGO
|
SKU: WA_MES_311_N
Precio habitual
$418.25 USD
Precio habitual
Precio de oferta
$418.25 USD
Precio unitario
/
por
Los gastos de envío se calculan en la pantalla de pago.
No se pudo cargar la disponibilidad de retiro
Módulo de entrada analógica de 4 canales (4AI) con entradas tipo Single-Ended (lazo interno), diseñado para señales de ±10 V. Permite la medición precisa de voltajes analógicos en aplicaciones industriales, sistemas de control y adquisición de datos. Ideal para monitoreo de sensores, control de procesos y automatización, ofreciendo alta compatibilidad con señales estándar de instrumentación
Ficha técnica
Compartir


