750-461/000-002 WAGO 2AI; Medición de la resistencia 10 … 1200Ohm
750-461/000-002 WAGO 2AI; Medición de la resistencia 10 … 1200Ohm
WAGO
|
SKU: WA_MES_178_N
Precio habitual
$479.70 USD
Precio habitual
Precio de oferta
$479.70 USD
Precio unitario
/
por
Los gastos de envío se calculan en la pantalla de pago.
No se pudo cargar la disponibilidad de retiro
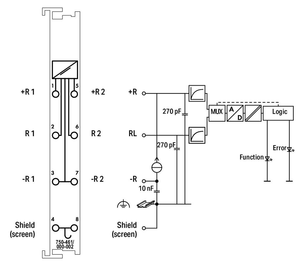
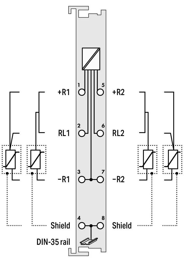
Módulo de entrada analógica de 2 canales (2AI) diseñado para la medición de resistencia en el rango de 10 … 1200 Ohm. Ideal para sensores resistivos como termorresistencias (RTD) o para aplicaciones de supervisión donde se requiera lectura precisa de variaciones de resistencia. Su configuración compacta y precisa lo hace apto para entornos industriales exigentes y sistemas de automatización.
Ficha técnica
Compartir
