750-466/000-003 WAGO Modulo de 2 entradas analógicas; 4-20 mA
750-466/000-003 WAGO Modulo de 2 entradas analógicas; 4-20 mA
WAGO
|
SKU: WA_MEA_004_N
Precio habitual
$402.10 USD
Precio habitual
Precio de oferta
$402.10 USD
Precio unitario
/
por
Los gastos de envío se calculan en la pantalla de pago.
No se pudo cargar la disponibilidad de retiro
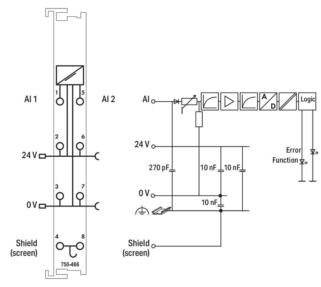
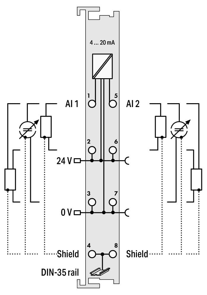
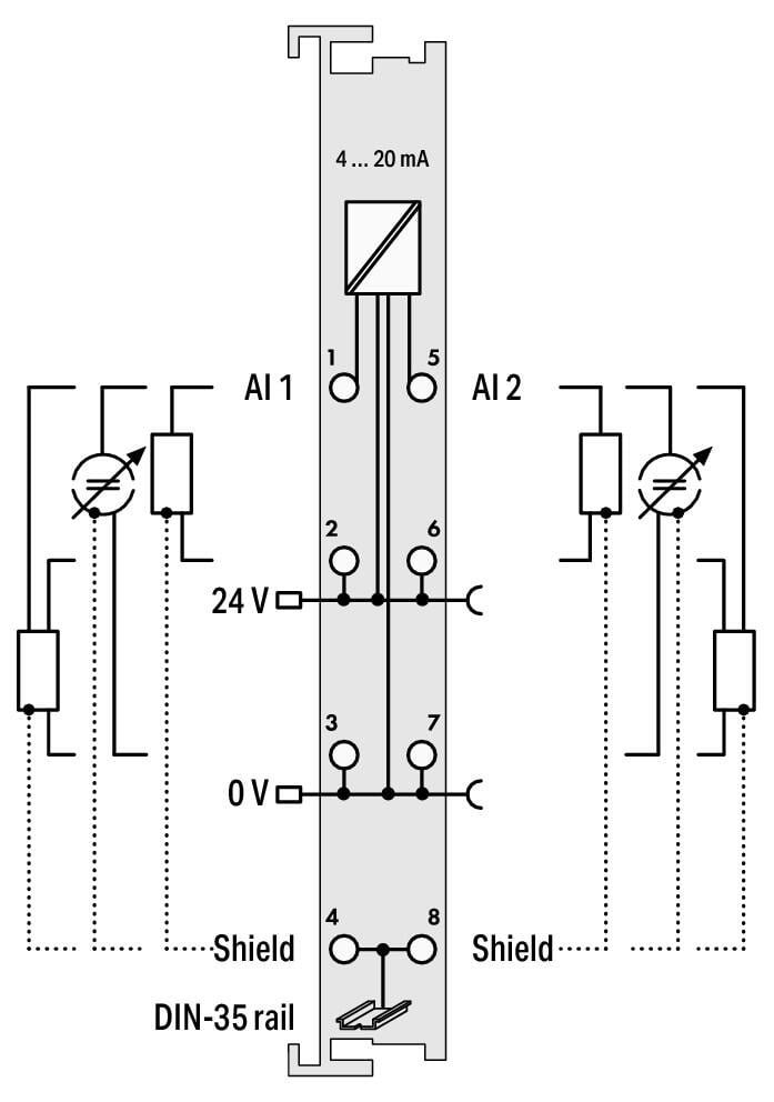
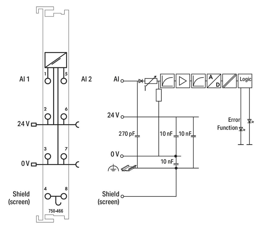
Este módulo de entrada analógica alimenta a los convertidores de señal del lado del campo y transmite señales analógicas con separación galvánica al sistema de bus.
La tensión de alimentación de campo de 24 V se obtiene de los contactos de potencia del módulo.
El apantallamiento se conecta directamente al carril DIN.
Este módulo proporciona la tensión necesaria a los convertidores de señal de 2 conductores que carecen de fuente de alimentación propia.
Ficha técnica
Compartir
