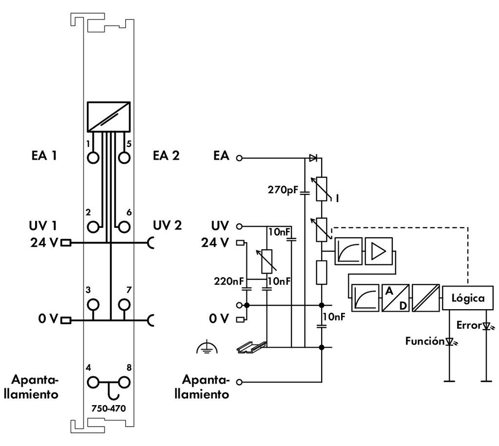
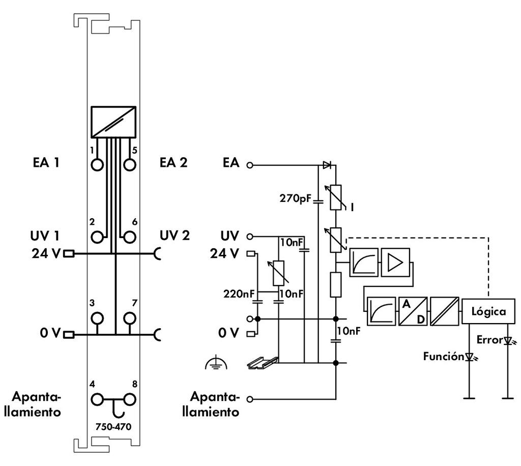
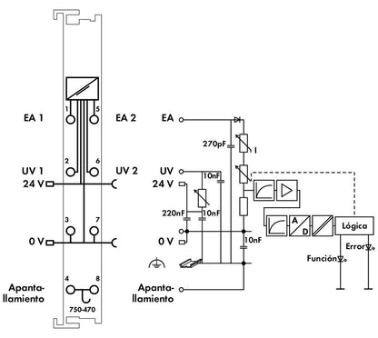
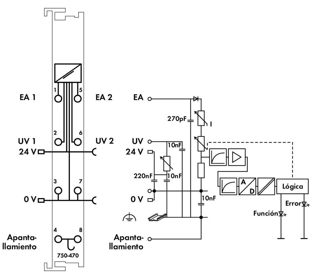
750-470 WAGO 2AI; 0-20 mA; Single-Ended (lazo interno)
750-470 WAGO 2AI; 0-20 mA; Single-Ended (lazo interno)
WAGO
|
SKU: WA_MES_302_N
Precio habitual
$493.09 USD
Precio habitual
Precio de oferta
$493.09 USD
Precio unitario
/
por
Los gastos de envío se calculan en la pantalla de pago.
No se pudo cargar la disponibilidad de retiro
Módulo de entrada analógica con 2 canales para señales de corriente de 0–20 mA. Configuración Single-Ended con lazo interno que facilita la medición directa y precisa. Ideal para sistemas de automatización industrial, permite monitorear sensores analógicos de manera confiable en aplicaciones de control y supervisión.
Ficha técnica
Compartir


