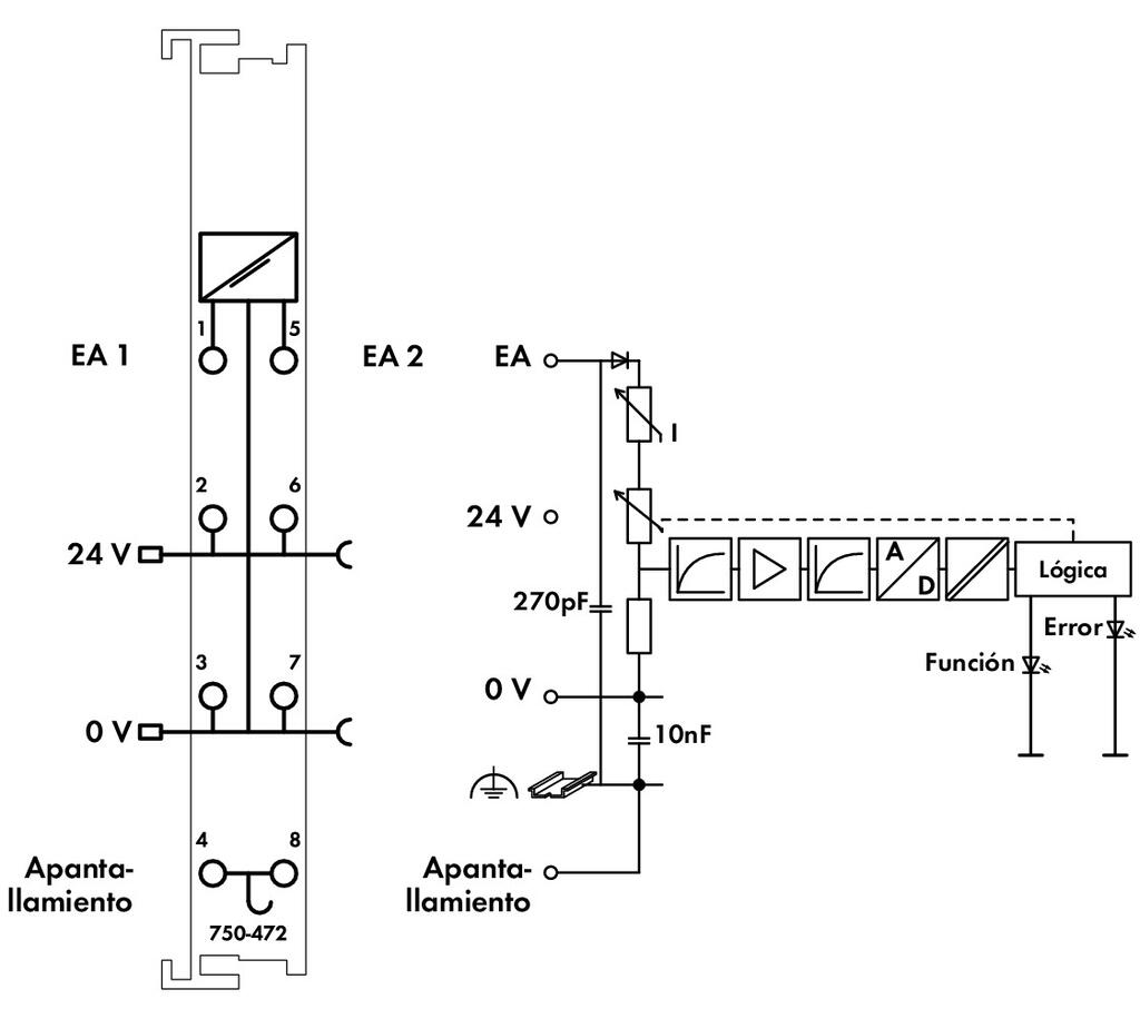
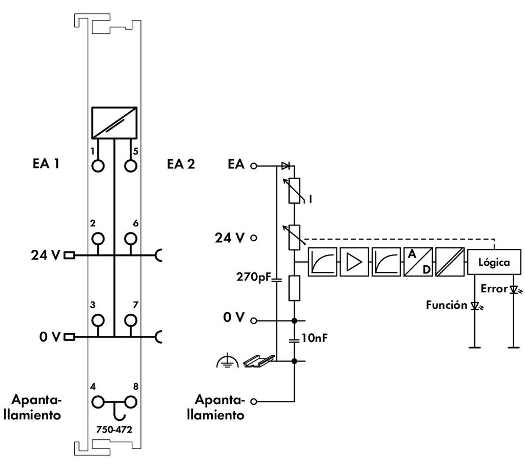
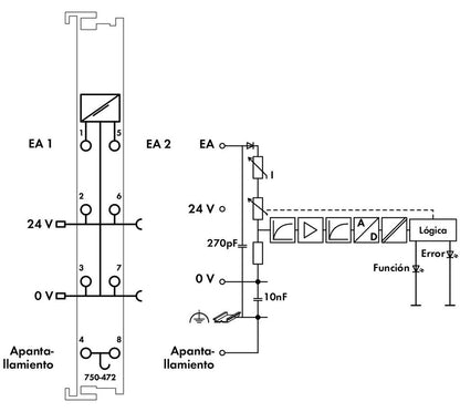
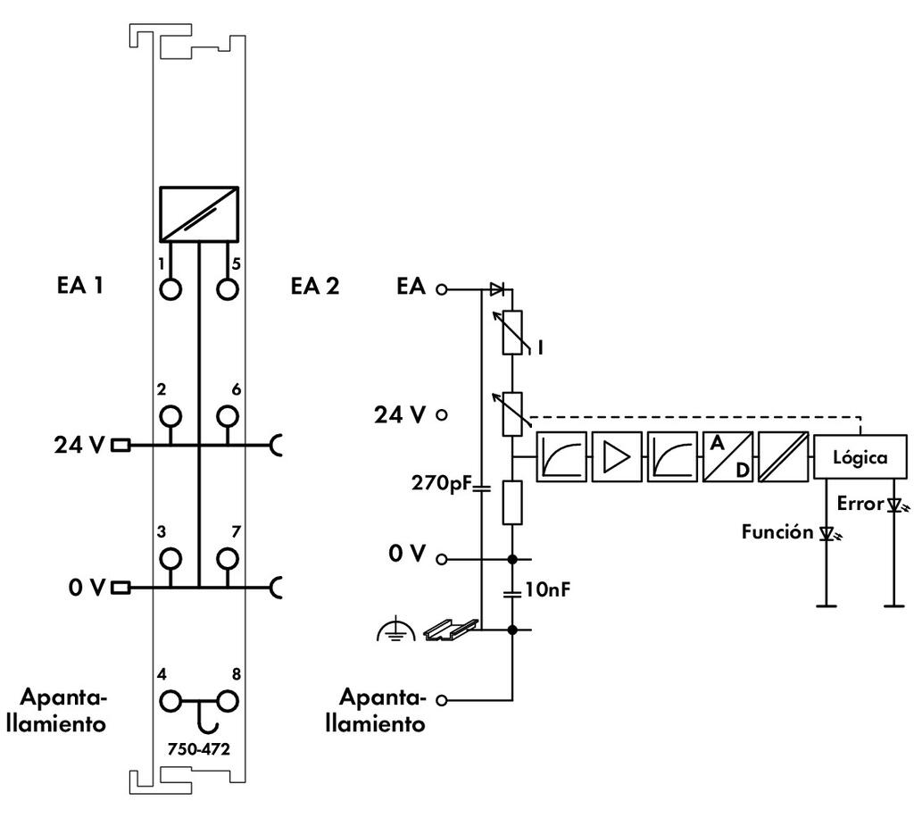
750-472 WAGO 2AI; 0-20 mA; Single-Ended (lazo interno); 16 bits
750-472 WAGO 2AI; 0-20 mA; Single-Ended (lazo interno); 16 bits
WAGO
|
SKU: WA_MES_301_N
Precio habitual
$402.10 USD
Precio habitual
Precio de oferta
$402.10 USD
Precio unitario
/
por
Los gastos de envío se calculan en la pantalla de pago.
No se pudo cargar la disponibilidad de retiro
Módulo de entrada analógica con 2 canales para señales de corriente de 0–20 mA. Configuración Single-Ended con lazo interno para medición precisa. Resolución de 16 bits, ideal para aplicaciones industriales que requieren monitorización exacta de sensores analógicos, como temperatura, presión o nivel. Compatible con sistemas de control automatizado para entornos de alta precisión y fiabilidad.
Ficha técnica
Compartir


