750-485 WAGO Módulo de entrada analógica alimenta
750-485 WAGO Módulo de entrada analógica alimenta
WAGO
|
SKU: WA_MOD_005_N
Precio habitual
$1,006.32 USD
Precio habitual
Precio de oferta
$1,006.32 USD
Precio unitario
/
por
Los gastos de envío se calculan en la pantalla de pago.
No se pudo cargar la disponibilidad de retiro
- 750-485 WAGO Módulo de entrada analógica alimenta
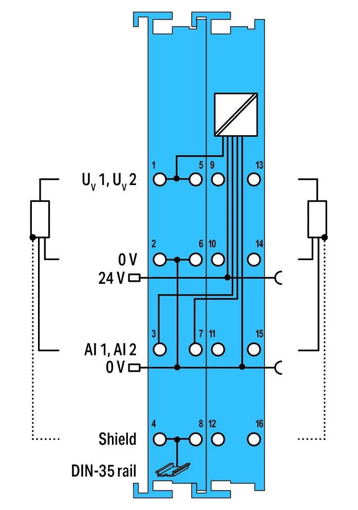
- Este módulo de entrada analógica alimenta los acondicionadores de seal intrínsecamente seguros ubicados en las áreas peligrosas de la Zona 0+1 y procesa sus seales analógicas.
Ficha técnica
Compartir
