750-501 WAGO Salida digital, 2 canales; 24 V DC; 0,5 A
750-501 WAGO Salida digital, 2 canales; 24 V DC; 0,5 A
WAGO
|
SKU: WA_MES_288_N
Precio habitual
$69.92 USD
Precio habitual
Precio de oferta
$69.92 USD
Precio unitario
/
por
Los gastos de envío se calculan en la pantalla de pago.
No se pudo cargar la disponibilidad de retiro
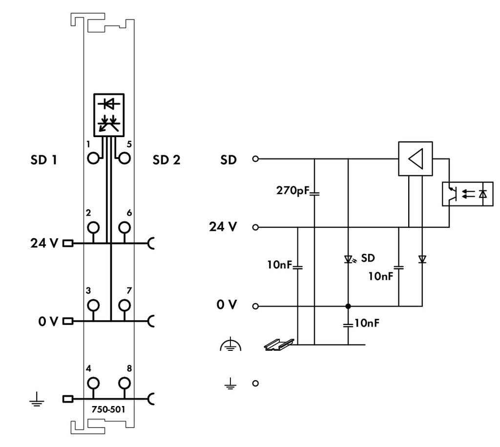
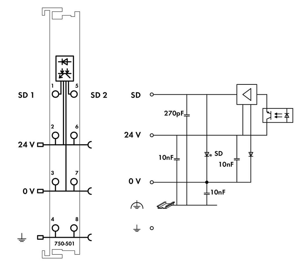
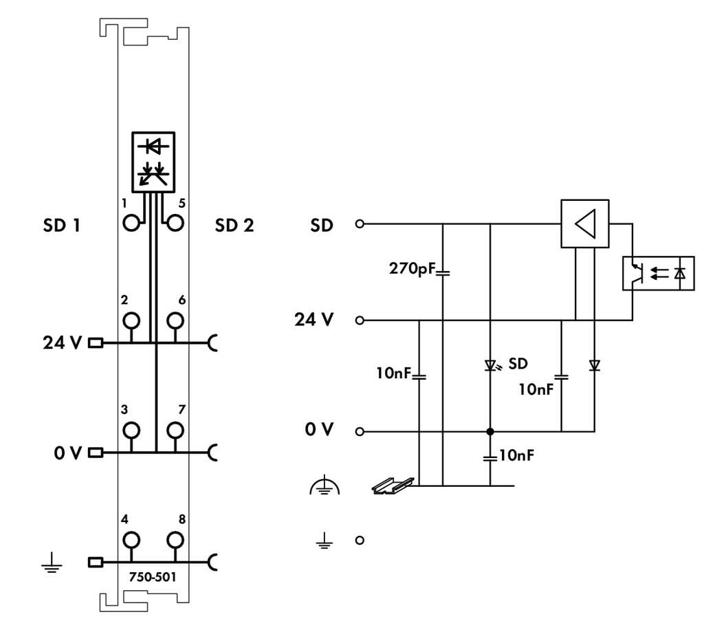
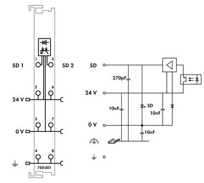
Módulo de salida digital con 2 canales, 24 V DC y 0,5 A por canal. Permite controlar cargas eléctricas en sistemas de automatización, ideal para aplicaciones estándar que requieren conmutación confiable y eficiente de dispositivos o actuadores eléctricos. Diseño compacto y fácil integración en entornos industriales.
Ficha técnica
Compartir


