750-506 WAGO Salida digital, 2 canales; 24 V DC; 0,5 A; Diagnóstico
750-506 WAGO Salida digital, 2 canales; 24 V DC; 0,5 A; Diagnóstico
WAGO
|
SKU: WA_MES_280_N
Precio habitual
$89.72 USD
Precio habitual
Precio de oferta
$89.72 USD
Precio unitario
/
por
Los gastos de envío se calculan en la pantalla de pago.
No se pudo cargar la disponibilidad de retiro
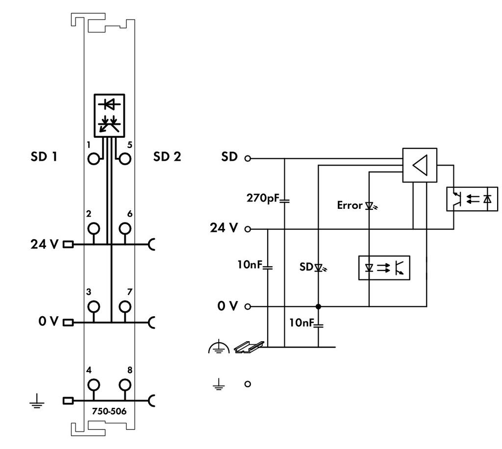
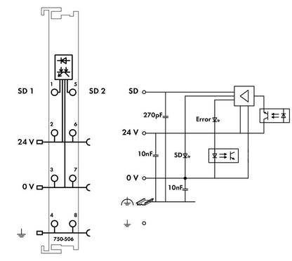
Módulo de salida digital de 2 canales, 24 V DC, 0,5 A por canal, con diagnóstico integrado. Permite el control eficiente de cargas en sistemas de automatización, con funciones de supervisión para detectar fallos como sobrecargas o cortocircuitos, mejorando la seguridad operativa y facilitando el mantenimiento preventivo.
Ficha técnica
Compartir


