750-511/000-001 WAGO 2 salidas de modulación de impulsiones; 24 V DC; 0,1 A; 2 kHz; Frecuencímetro
750-511/000-001 WAGO 2 salidas de modulación de impulsiones; 24 V DC; 0,1 A; 2 kHz; Frecuencímetro
WAGO
|
SKU: WA_MES_273_N
Precio habitual
$351.59 USD
Precio habitual
Precio de oferta
$351.59 USD
Precio unitario
/
por
Los gastos de envío se calculan en la pantalla de pago.
No se pudo cargar la disponibilidad de retiro
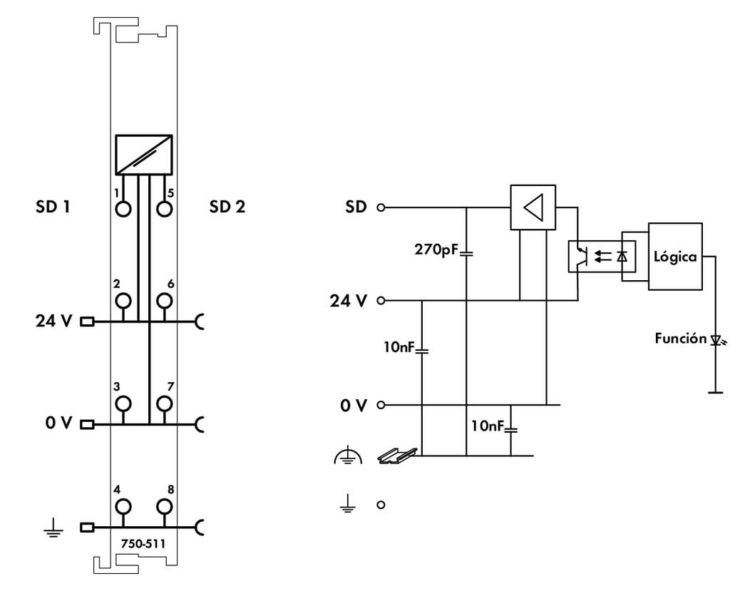
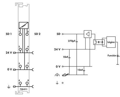
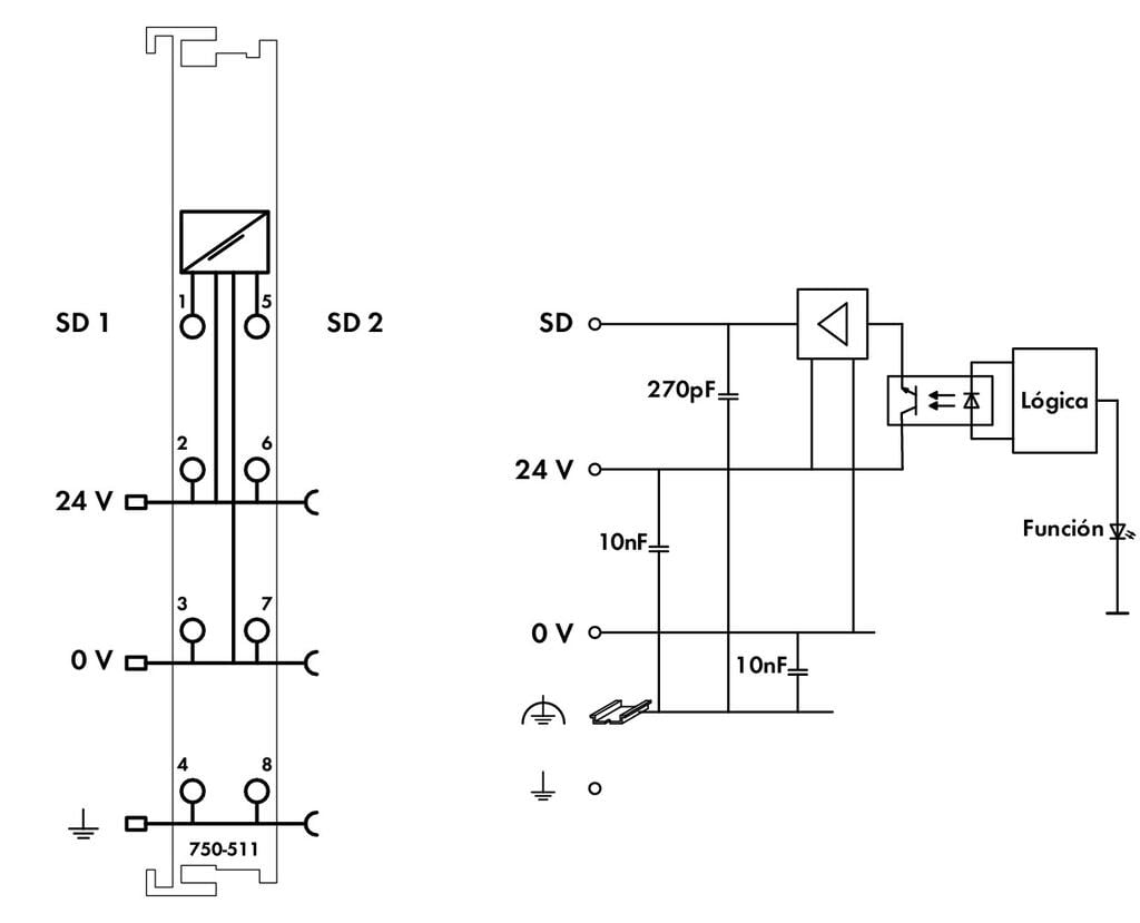
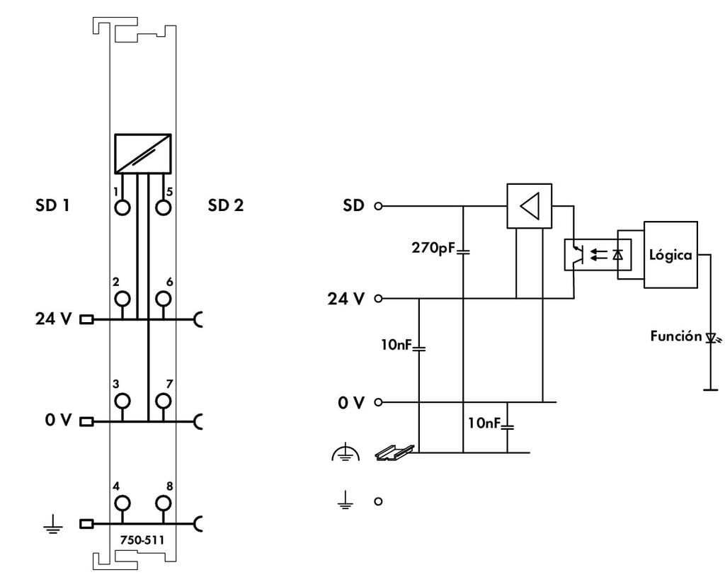
Módulo con 2 salidas de modulación por impulsos (PWM), 24 V DC, 0,1 A por salida, frecuencia de 2 kHz, con frecuencímetro integrado. Ideal para control preciso y monitorización de señales PWM en aplicaciones de automatización, motores y actuadores, ofreciendo regulación eficiente y medición de frecuencia.
Ficha técnica
Compartir


