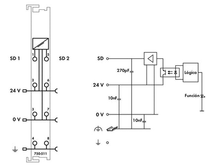
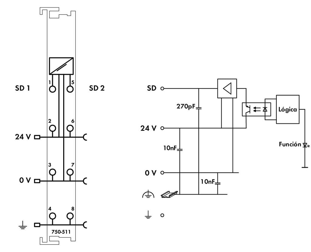
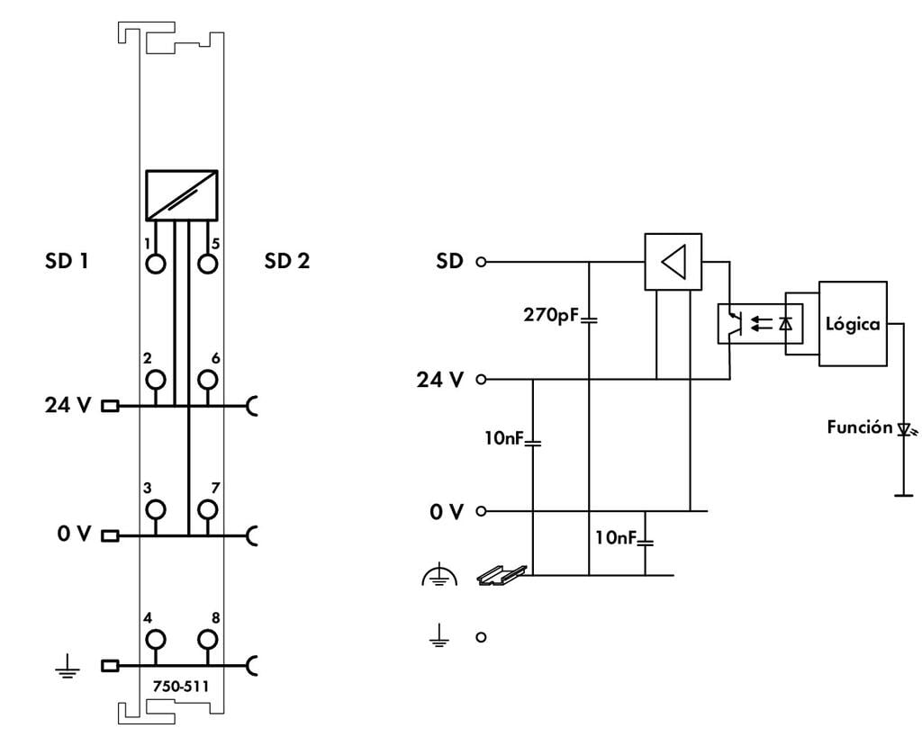
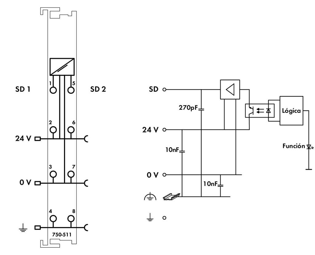
750-511/000-002 WAGO 2 salidas de modulación de impulsiones; 24 V DC; 0,1 A; 100 Hz
750-511/000-002 WAGO 2 salidas de modulación de impulsiones; 24 V DC; 0,1 A; 100 Hz
WAGO
|
SKU: WA_MES_272_N
Precio habitual
$351.59 USD
Precio habitual
Precio de oferta
$351.59 USD
Precio unitario
/
por
Los gastos de envío se calculan en la pantalla de pago.
No se pudo cargar la disponibilidad de retiro
Módulo con 2 salidas de modulación por impulsos (PWM), 24 V DC, 0,1 A por salida, frecuencia de 100 Hz. Ideal para el control preciso de motores, válvulas o actuadores en sistemas de automatización que requieren señales moduladas para ajuste fino y regulación eficiente.
Ficha técnica
Compartir


