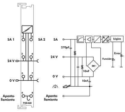
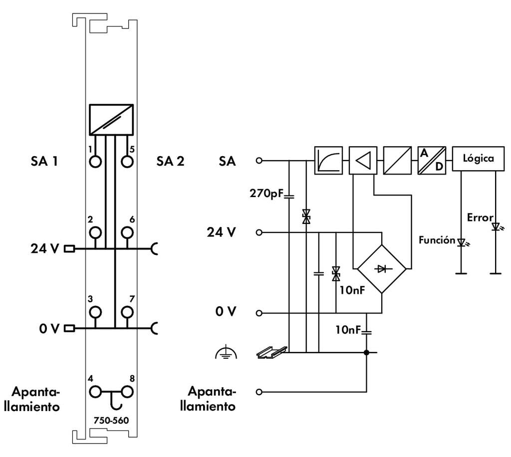
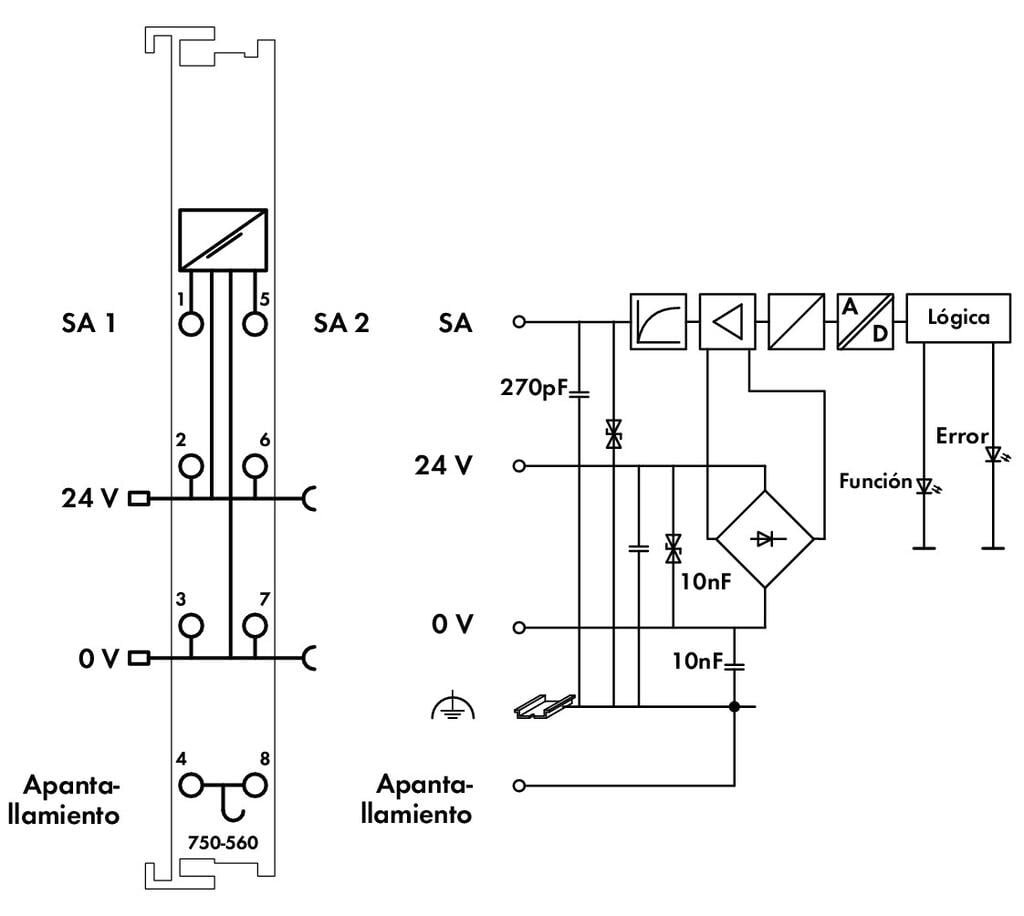
750-560 WAGO Salida analógica, 2 canales; 0 … 10V DC; 10 bits; 100 mW/ 24 V
750-560 WAGO Salida analógica, 2 canales; 0 … 10V DC; 10 bits; 100 mW/ 24 V
WAGO
|
SKU: WA_MOD_074_N
Precio habitual
$385.94 USD
Precio habitual
Precio de oferta
$385.94 USD
Precio unitario
/
por
Los gastos de envío se calculan en la pantalla de pago.
No se pudo cargar la disponibilidad de retiro
Módulo de salida analógica con 2 canales, rango de 0 … 10 V DC, resolución de 10 bits y consumo de 100 mW a 24 V. Diseñado para controlar dispositivos analógicos en sistemas de automatización, permite una señal de salida precisa y estable. Ideal para aplicaciones industriales que requieren regulación de voltaje continua y confiable.
Ficha técnica
Compartir


