750-564 WAGO Salida analógica, 4 canales; Tensión / Corriente
750-564 WAGO Salida analógica, 4 canales; Tensión / Corriente
WAGO
|
SKU: WA_MOD_044_N
Precio habitual
$549.63 USD
Precio habitual
Precio de oferta
$549.63 USD
Precio unitario
/
por
Los gastos de envío se calculan en la pantalla de pago.
No se pudo cargar la disponibilidad de retiro
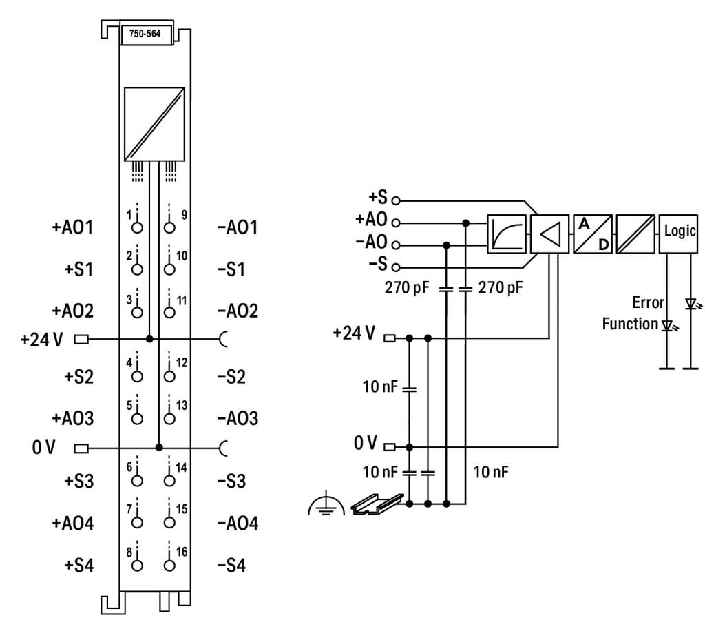
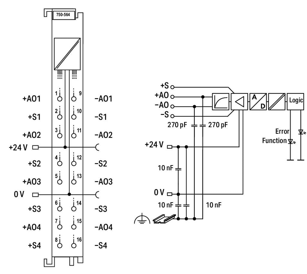
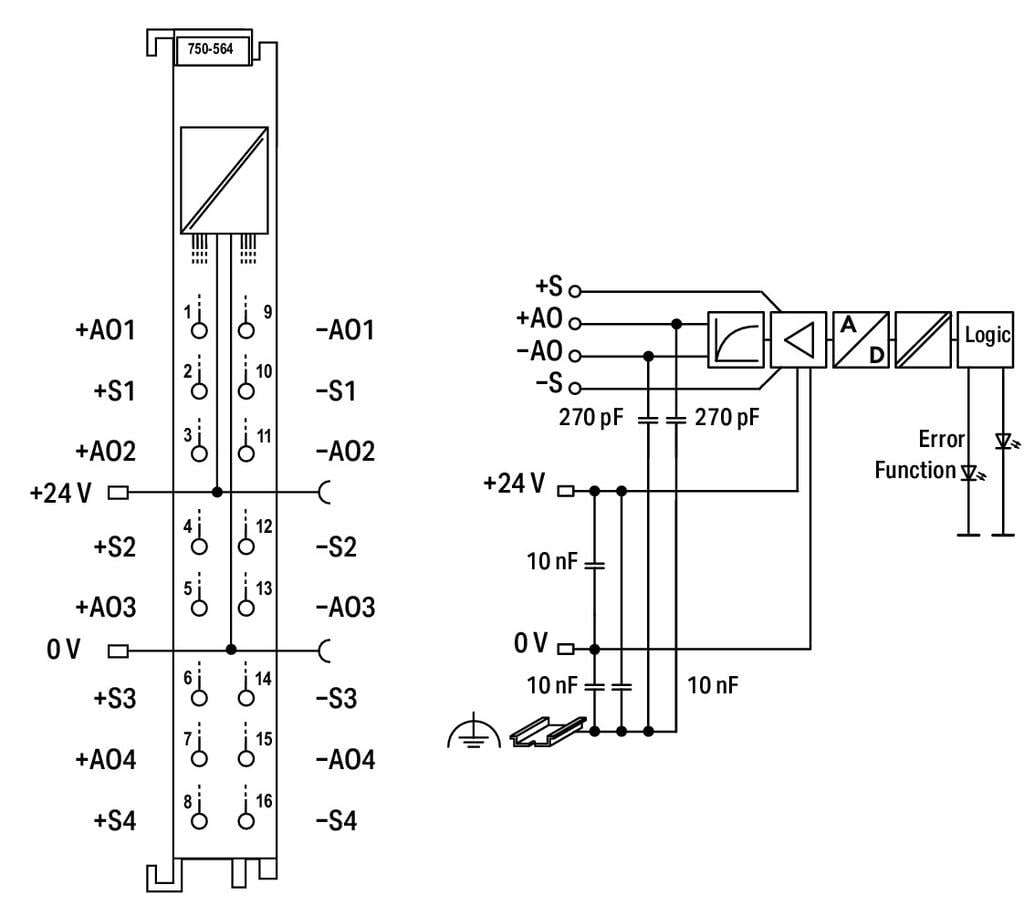
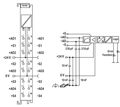
El módulo de salida analógica proporciona una variedad de señales normalizadas tanto de tensión como de corriente. La señal de salida se puede parametrizar canal a canal. La señal de salida está separada galvánicamente y se transmite con una resolución de 16 bits.
El módulo se alimenta tanto a través del sistema interno como del módulo de alimentación del campo. Diagnostica y alerta en caso de rotura del conductor, sobrecarga o alimentación de campo insuficiente. El módulo está protegido contra errores de cableado (retroalimentación). Las salidas de tensión se pueden conectar opcionalmente con tecnología de 4 conductores a través de líneas de sensores.
Ficha técnica
Compartir


