750-601 WAGO Módulo de alimentación; 24 V DC; Portafusible
750-601 WAGO Módulo de alimentación; 24 V DC; Portafusible
WAGO
|
SKU: WA_MES_183_N
Precio habitual
$42.63 USD
Precio habitual
Precio de oferta
$42.63 USD
Precio unitario
/
por
Los gastos de envío se calculan en la pantalla de pago.
No se pudo cargar la disponibilidad de retiro
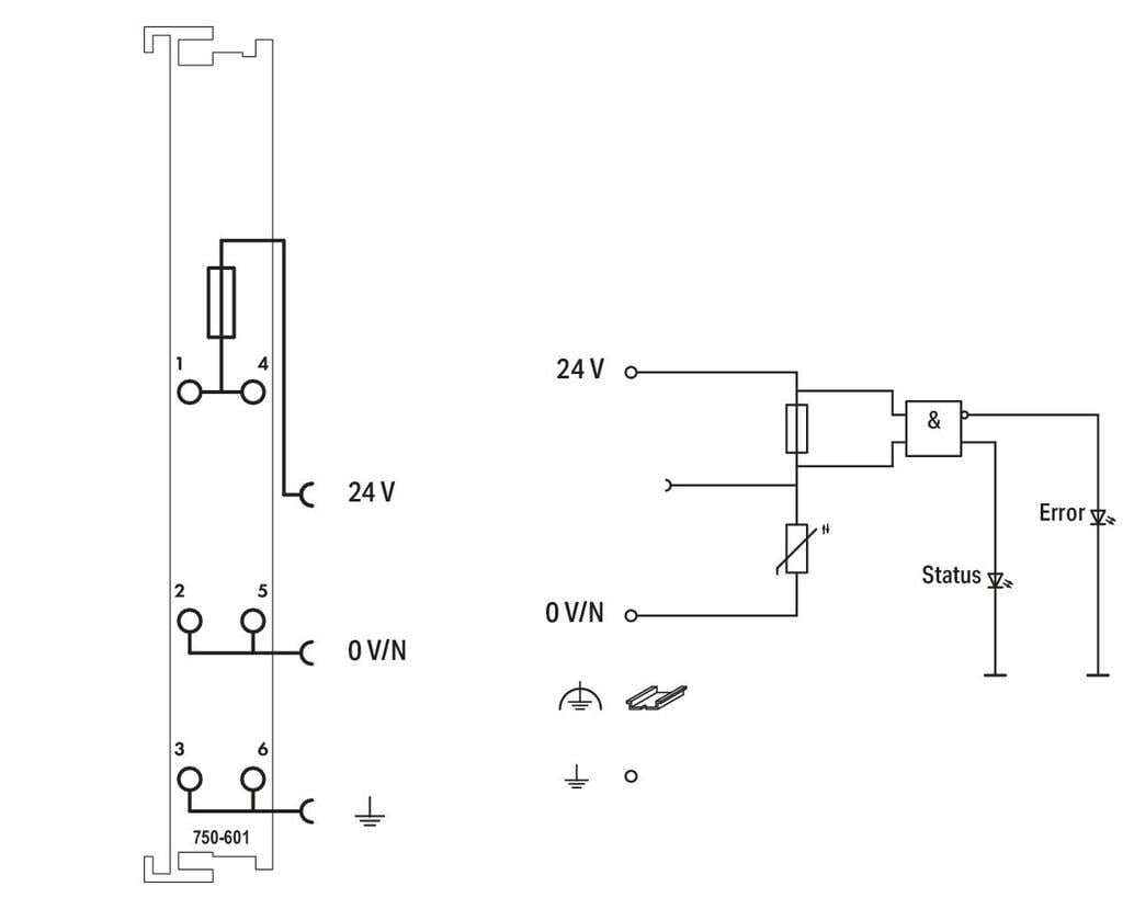
Este módulo de alimentación dota a los acopladores de comunicaciones y algunos módulos de E/S que lo requieren del correspondiente potencial de alimentación.
El módulo de alimentación proporciona una corriente máxima de 6,3 A. Al configurar el sistema, es importante no superar esta corriente total. Para poder disponer de una corriente más elevada es necesario añadir al conjunto un módulo de alimentación intermedio.
Este módulo está protegido mediante fusible (5 x 20 mm). El fusible se puede sustituir fácil y rápidamente desde el portafusibles extraíble.
Un LED indica si el fusible se ha fundido.
Ficha técnica
Compartir


