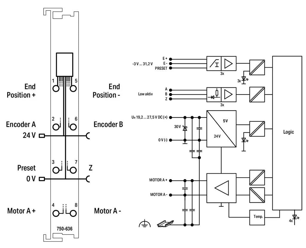
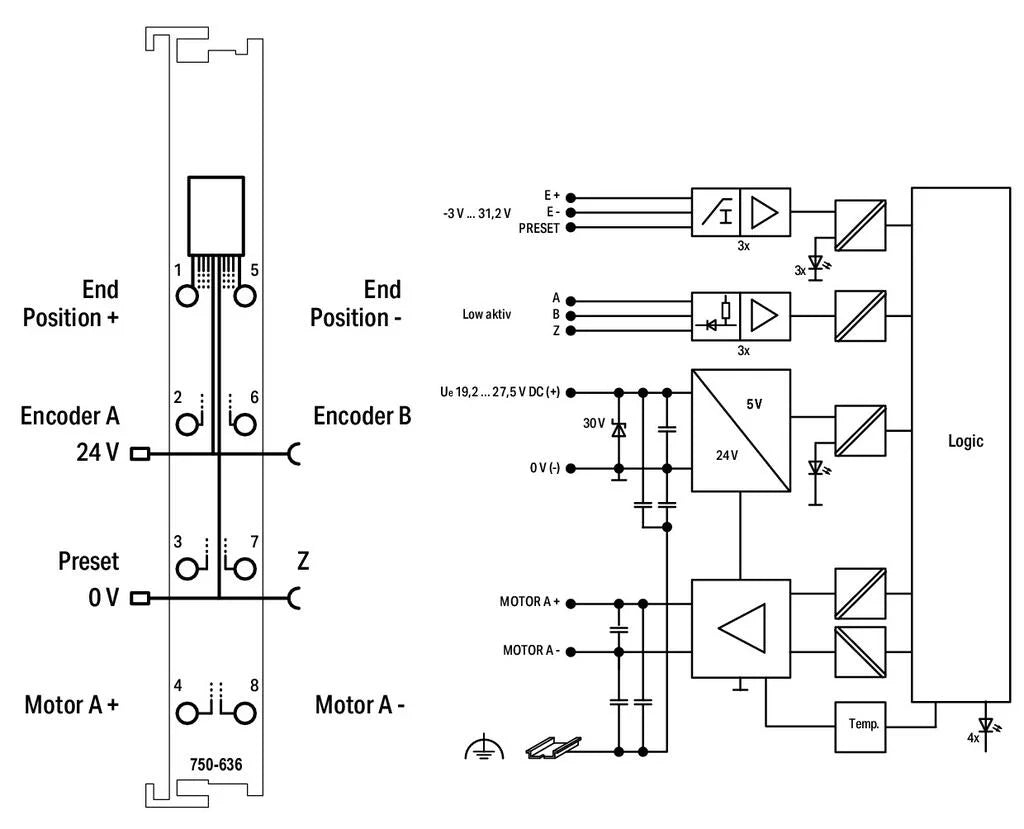
750-636 WAGO Controlador DC-Drive; 24 V DC; 5A
750-636 WAGO Controlador DC-Drive; 24 V DC; 5A
WAGO
|
SKU: WA_MES_074_N
Precio habitual
$636.94 USD
Precio habitual
Precio de oferta
$636.94 USD
Precio unitario
/
por
Los gastos de envío se calculan en la pantalla de pago.
No se pudo cargar la disponibilidad de retiro
- 750-636 WAGO Controlador DC-Drive; 24 V DC; 5A
- Controlador de posicionamiento inteligente de un solo canal para motores de 24 VCC de hasta 5 A con retroalimentación de posición incremental. Tres entradas de 24 V registran los finales de carrera y una seal preestablecida.
Ficha técnica
Compartir
