750-638 WAGO 2 contadores ascendete/descendente
750-638 WAGO 2 contadores ascendete/descendente
WAGO
|
SKU: WA_MES_005
Precio habitual
$171.76 USD
Precio habitual
Precio de oferta
$171.76 USD
Precio unitario
/
por
Los gastos de envío se calculan en la pantalla de pago.
No se pudo cargar la disponibilidad de retiro
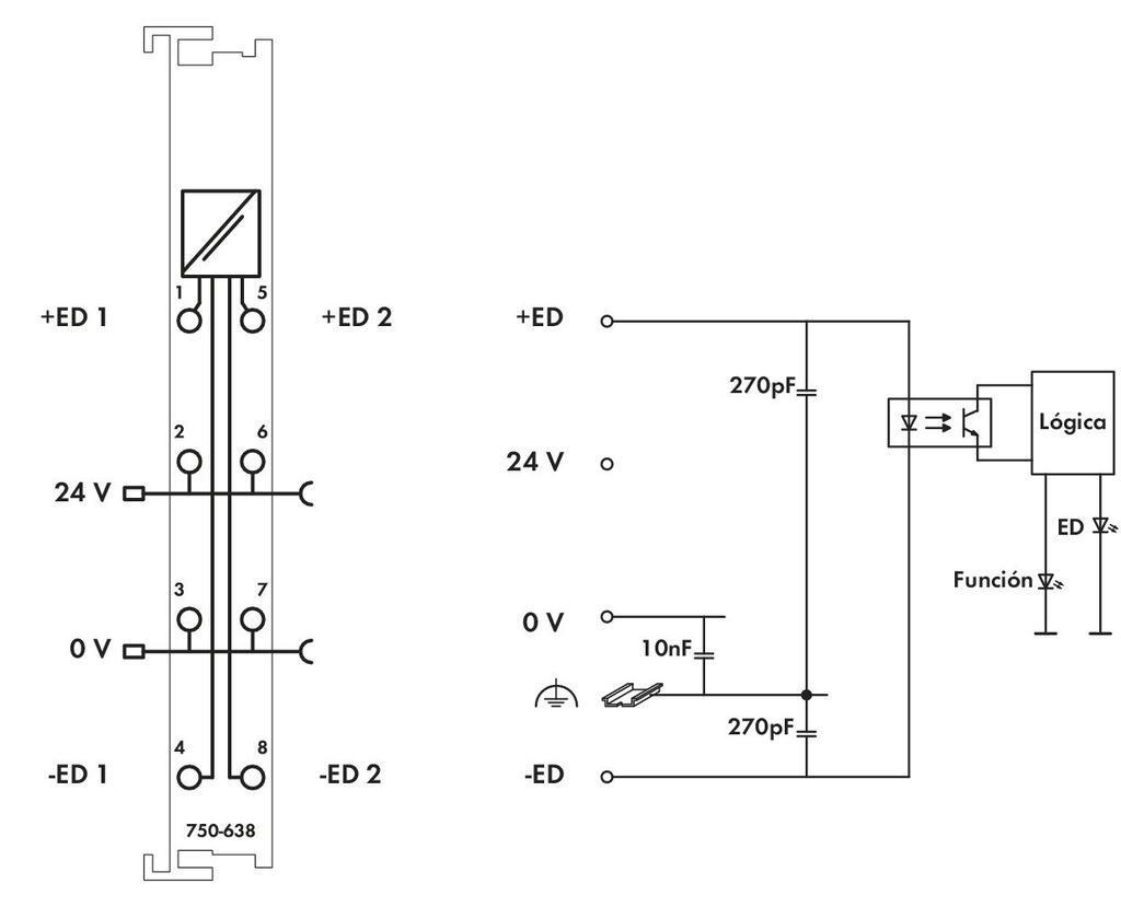
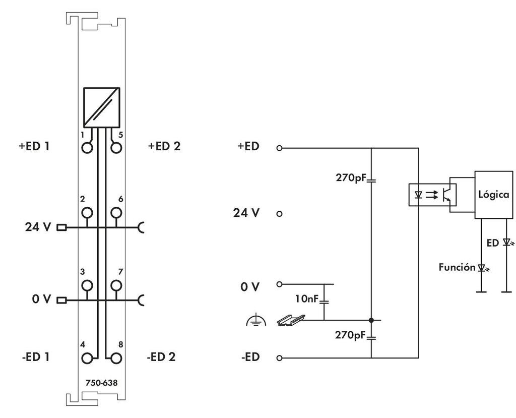
750-638 WAGO
Este módulo tiene dos contadores que cuentan pulsos binarios de 24 VCC independientemente uno del otro. A continuación, el valor del contador se transmite al controlador a través del bus de campo.
Los contadores se pueden configurar, restablecer y bloquear con los bytes de control.
Los bytes de control determinan también el sentido de contaje.
Ficha técnica
Compartir
