750-8102 WAGO Controlador PFC100; 2 x ETHERNET, RS-232/-485
750-8102 WAGO Controlador PFC100; 2 x ETHERNET, RS-232/-485
WAGO
|
SKU: WA_PLC_004_N
Precio habitual
$1,321.92 USD
Precio habitual
Precio de oferta
$1,321.92 USD
Precio unitario
/
por
Los gastos de envío se calculan en la pantalla de pago.
No se pudo cargar la disponibilidad de retiro
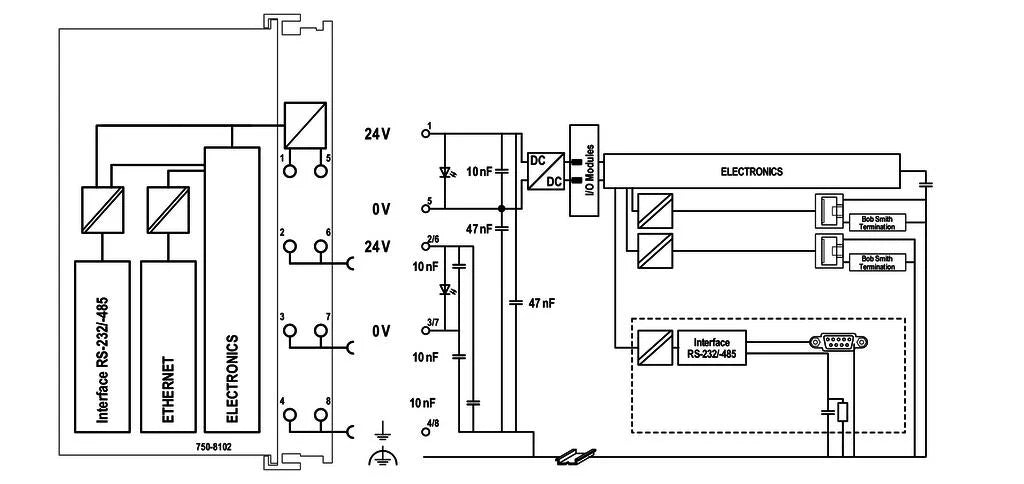
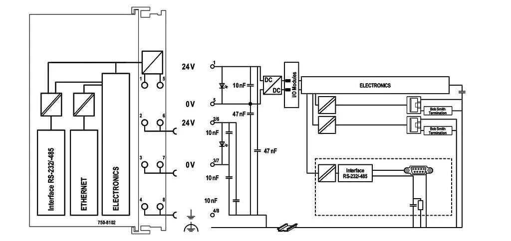
750-8102 WAGO El controlador PCF100 es un PLC compacto diseado para el sistema modular WAGO-I/O-SYSTEM. Además de las interfaces de red y bus de campo, el controlador es compatible con todos los módulos digitales, analógicos y especiales de las series 750/753.
Dos interfaces ETHERNET y un interruptor integrado permiten realizar conexiones en una topología de línea.
Un servidor web integrado proporciona opciones de configuración al usuario y muestra la información de estado del PFC100.
Las aplicaciones más habituales del PFC100, además de la industria de procesos y la automatización en edificios, incluyen el control básico de maquinaria y equipos (p. ej., sistemas de empaquetado, envasado y fabricación, así como maquinaria de transformación de textil, metal y madera).
Programación según CEI 61131-3
- Programable a través de e!COCKPIT
- Conexión directa de módulos de E/S de WAGO
- 2 x ETHERNET (configurable), RS-232/485
- Sistema operativo Linux 3.18 con RT-Preempt Patch
- Configuración a través de e!COCKPIT o la interfaz de Web-Based Management
- Sin matenimiento
Ficha técnica
Compartir
