750-8212 WAGO Controlador PFC200 (PAC); 2ª Generación; 2 x ETHERNET, RS-232/-485
750-8212 WAGO Controlador PFC200 (PAC); 2ª Generación; 2 x ETHERNET, RS-232/-485
WAGO
|
SKU: WA_PLC_009_N
Precio habitual
$1,681.80 USD
Precio habitual
Precio de oferta
$1,681.80 USD
Precio unitario
/
por
Los gastos de envío se calculan en la pantalla de pago.
No se pudo cargar la disponibilidad de retiro
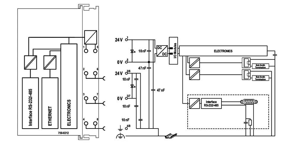
750-8212 WAGO
- Programable a través de WAGO-I/O-PRO V2.3 o e!COCKPIT
- Conexión directa de módulos de E/S de WAGO
- 2 x ETHERNET (configurable), RS-232/485
- Sistema operativo Linux con RT-Preempt Patch
- Configuración a través de CODESYS, e!COCKPIT o la interfaz de Web-Based Management
Ficha técnica
Compartir


