787-862 WAGO Interruptor electrónico; 4 canales; Tensión de entrada 24V DC; ajustable 1 … 10A; capacidad de comunicación
787-862 WAGO Interruptor electrónico; 4 canales; Tensión de entrada 24V DC; ajustable 1 … 10A; capacidad de comunicación
WAGO
|
SKU: WA_INT_020_N
Precio habitual
$418.36 USD
Precio habitual
Precio de oferta
$418.36 USD
Precio unitario
/
por
Los gastos de envío se calculan en la pantalla de pago.
No se pudo cargar la disponibilidad de retiro
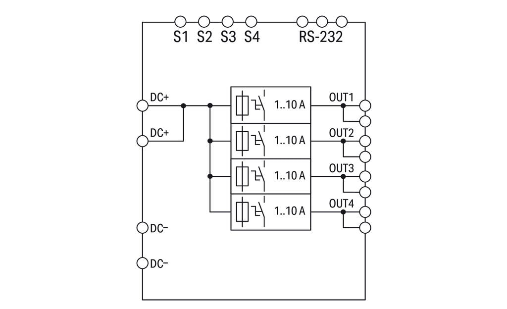
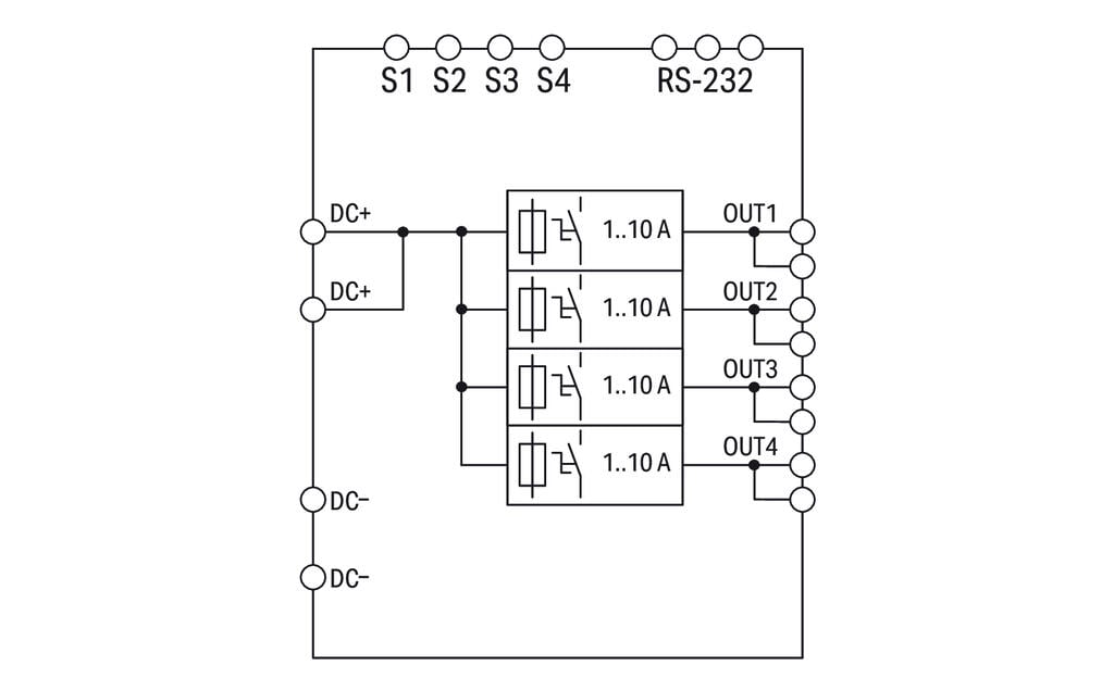
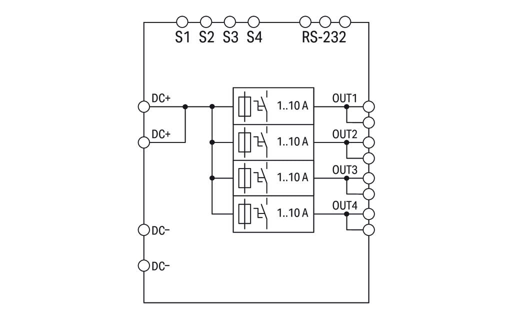
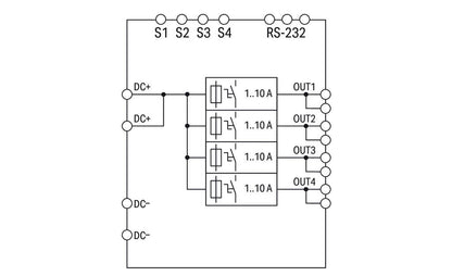
Interruptor electrónico de 4 canales con entrada de 24 V DC y corriente de salida ajustable entre 1 y 10 A por canal. Incorpora capacidad de comunicación para monitoreo y control remoto del estado de cada canal. Diseñado para aplicaciones industriales exigentes, ofrece protección electrónica contra sobrecargas y cortocircuitos. Compatible con conductores de hasta 10,00 mm².
Ficha técnica
Compartir


