857-634 WAGO Módulo relé de tiempo Solid State; Tensión nominal de entrada: 24 VCC
857-634 WAGO Módulo relé de tiempo Solid State; Tensión nominal de entrada: 24 VCC
WAGO
|
SKU: WA_CLE_4765_N
Los gastos de envío se calculan en la pantalla de pago.
Contacta a un asesor
No se pudo cargar la disponibilidad de retiro
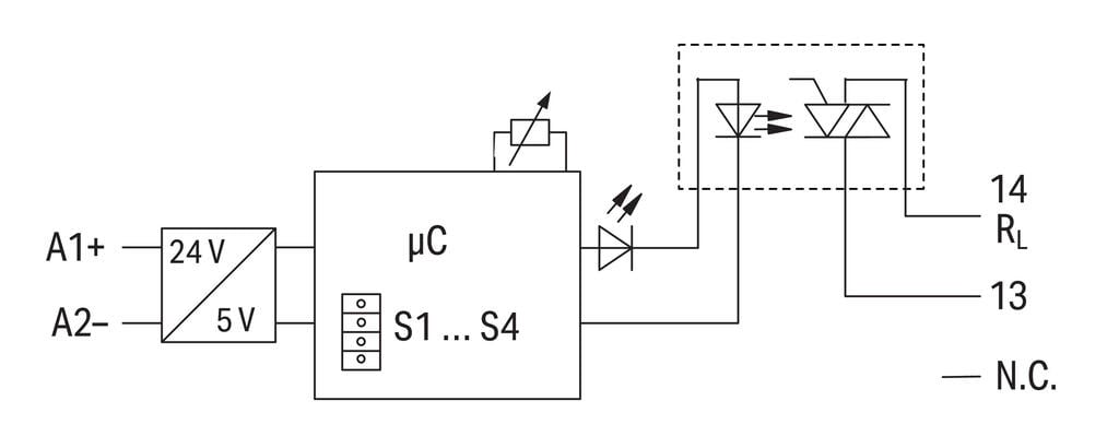
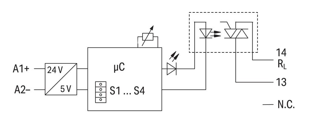
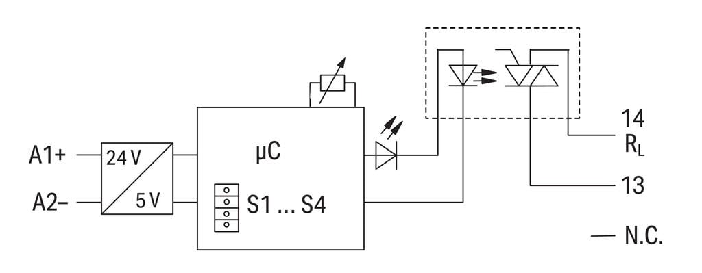
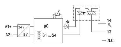
Módulo relé de tiempo Solid State; Tensión nominal de entrada: 24 VCC; Rango de tensión de salida 24 … 230V AC; Corriente permanente límite 1 A; Conexión de 2 conductores; Multifunción/Multitiempo; Indicador de estado, amarillo; 6 mm ancho de montaje
Ficha técnica
Compartir



