857-728 WAGO Módulo con relé Solid-State; Tensión nominal de entrada 230V AC/DC
857-728 WAGO Módulo con relé Solid-State; Tensión nominal de entrada 230V AC/DC
WAGO
|
SKU: WA_CLE_4754_N
Los gastos de envío se calculan en la pantalla de pago.
Contacta a un asesor
No se pudo cargar la disponibilidad de retiro
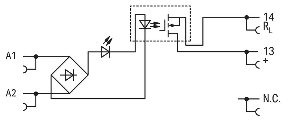
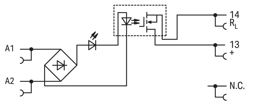
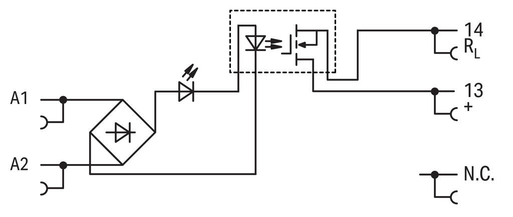
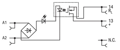
Módulo con relé Solid-State; Tensión nominal de entrada 230V AC/DC; Rango de tensión de salida 0 … 30V DC; Corriente permanente límite 3 A; Conexión de 2 conductores; Indicador de estado, amarillo; 6 mm ancho de montaje; gris
Ficha técnica
Compartir



