859-762 WAGO Módulo de optoacoplador; Tensión nominal de entrada: 24 VCC
859-762 WAGO Módulo de optoacoplador; Tensión nominal de entrada: 24 VCC
WAGO
|
SKU: WA_CLE_4662_N
Los gastos de envío se calculan en la pantalla de pago.
Contacta a un asesor
No se pudo cargar la disponibilidad de retiro
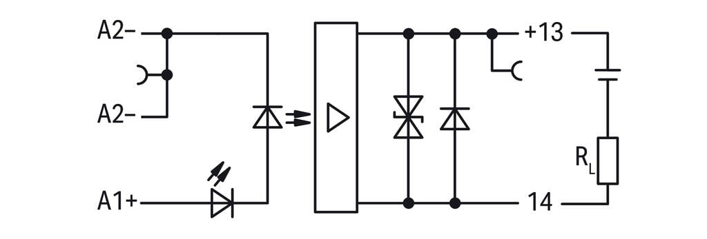
Módulo de optoacoplador; Tensión nominal de entrada: 24 VCC; Rango de tensión de salida 3 … 30V DC; Corriente permanente límite 3 A; Conexión de 2 conductores; Indicador de estado, amarillo; 6 mm ancho de montaje; gris
Ficha técnica
Compartir


