750-555 WAGO Módulo de 4 salidas analógicas 4-20 mA
750-555 WAGO Módulo de 4 salidas analógicas 4-20 mA
WAGO
|
SKU: WA_MSA_001
Precio habitual
$451.58 USD
Precio habitual
Precio de oferta
$451.58 USD
Precio unitario
/
por
Los gastos de envío se calculan en la pantalla de pago.
No se pudo cargar la disponibilidad de retiro
750-555 WAGO
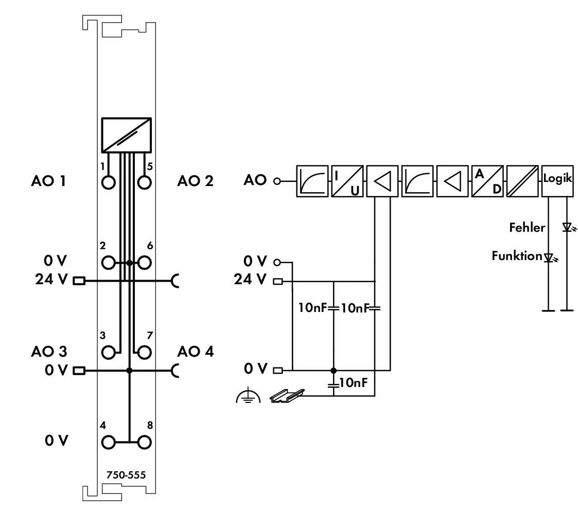
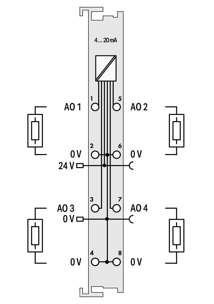
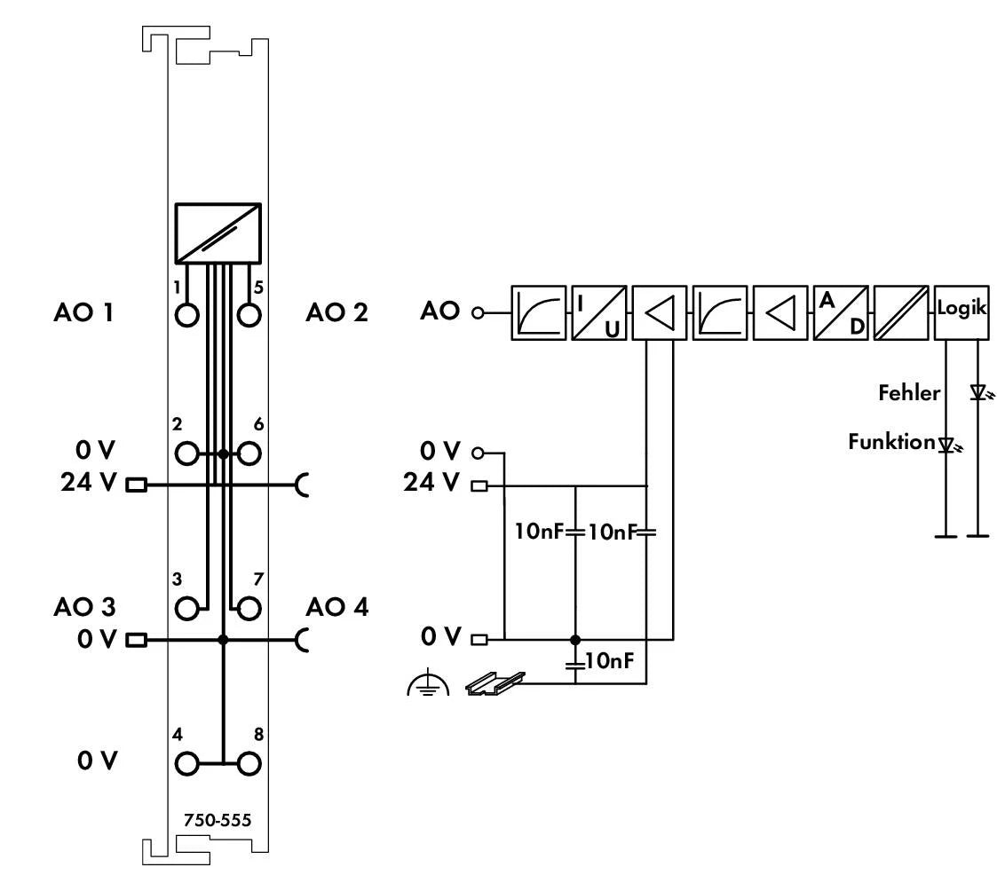
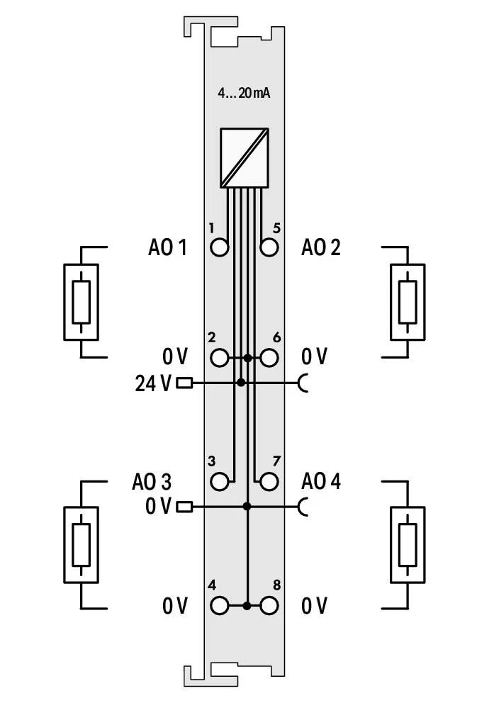
Este módulo de salida analógica genera seales estándar de 4‚¬€œ20 mA.
La seal de salida está aislada galvánicamente y se transmite con una resolución de 12 bits.
La alimentación se obtiene del lado de campo.
Los canales de salida del módulo comparten un mismo potencial de tierra.
Ficha técnica
Compartir
