750-496 WAGO Módulo de 8 entradas analógicas 4-20 mA
750-496 WAGO Módulo de 8 entradas analógicas 4-20 mA
WAGO
|
SKU: WA_MEA_002
Precio habitual
$523.35 USD
Precio habitual
Precio de oferta
$523.35 USD
Precio unitario
/
por
Los gastos de envío se calculan en la pantalla de pago.
No se pudo cargar la disponibilidad de retiro
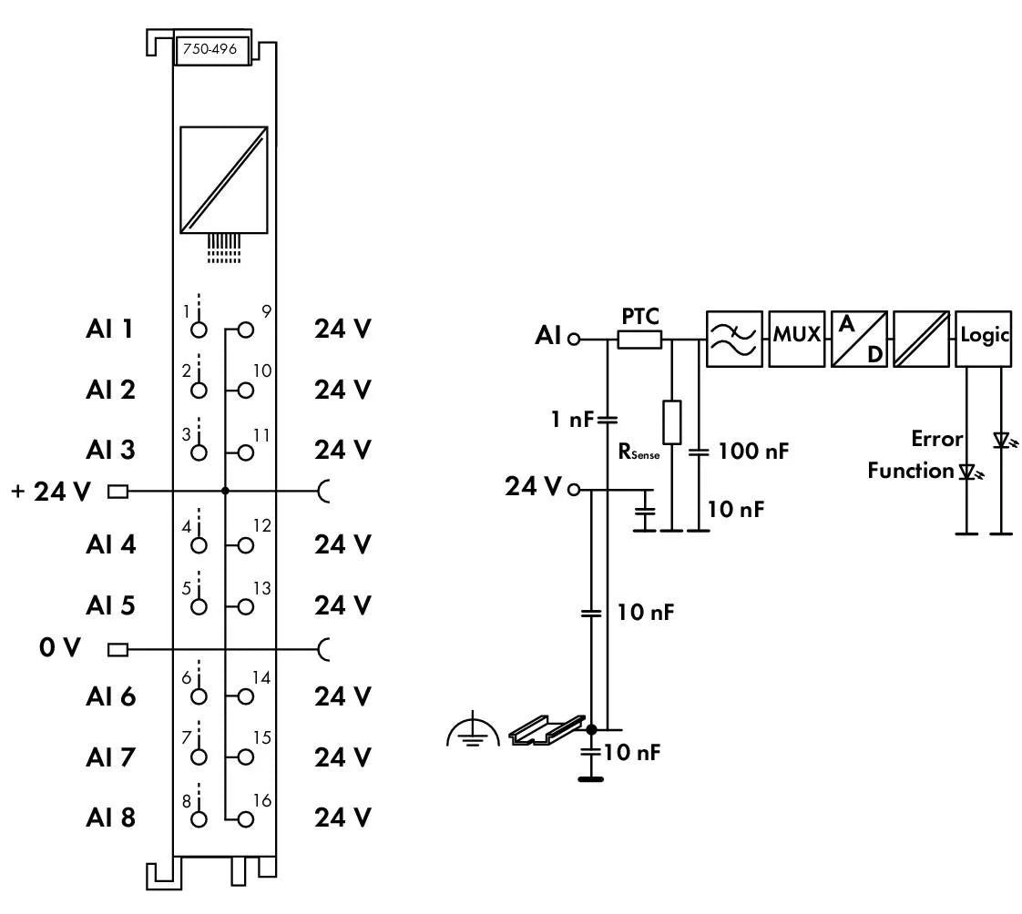
750-496 WAGO
Este módulo de entrada analógica procesa seales estándar de 0‚¬€œ20 mA, 4‚¬€œ20 mA y 3,6‚¬€œ21 mA (Namur NE43).
El módulo proporciona una fuente de alimentación de 24 V para una conexión directa a sensores de 2 hilos.
La seal de entrada está aislada eléctricamente y se transmite con una resolución de 12 bits.
Ficha técnica
Compartir



